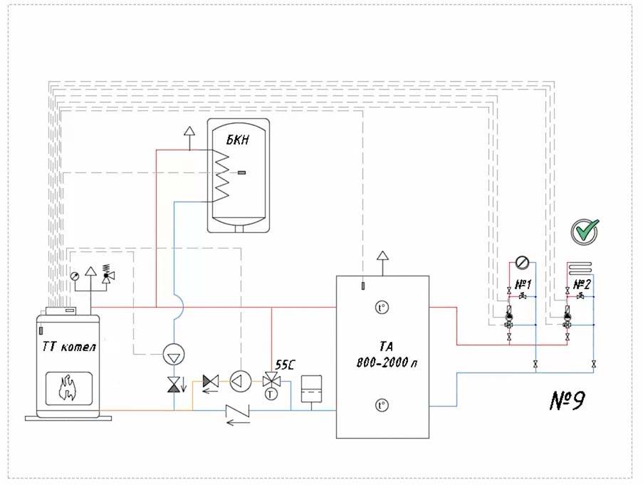
Схема №9
Вот мы и подошли достаточно плавно к главной схеме обвязки твердотопливного котла в системе отопления, которая позволит обвязать и использовать твердотопливный котел максимально грамотно и эффективно. Главное отличие схемы — наличие теплоаккумулятора. Объем теплоаккумулятора для отапливаемой площади дома до 200 квадратных метров будет находиться в пределах от 800 до 2000 литров. Точная цифра зависит от того, как часто вы планируете подходить к котлу, чтобы добавить топливо.
Явное преимущество этой схемы в том, что, используя теплоаккумулятор, тепло можно накапливать в системе и расходовать постепенно, растягивая его на несколько суток при условии, что система настроена и отбалансирована по производимой и потребляемой мощности. Кроме того, тепловой аккумулятор позволяет обеспечить максимальную безопасность работы: при аварийном отключении насосов и вентиляторов котла тепло естественным образом будет уходить из котла в аккумулятор, накапливаться там, предохраняя таким образом котел от перегрева и выкипания.
Есть определенные данные об исследованиях, которые говорят о том, что при использовании твердотопливного котла без теплоаккумулятора его КПД будет в районе 42-44%, а в паре с теплоаккумулятором — КПД может достигать 85%, то есть тех величин, о которых заявляют производители котельного оборудования.
Информация заимствована у Youtube канала Termostar MD. Оригинал видео приложен ниже. Не забудьте подписаться на данный канал, если интересна тема отопления.
Подписывайтесь так же на наш Youtube, группу , . Там много полезного и интересного контента!
Подключение к системе отопления

Подготовленную схему напрямую подключаем к системе отопления. С точки зрения безопасности надо помнить о том, что твердотопливный котел в отдельные моменты может давать чрезмерно высокую температуру. В накопительной бочке может содержаться вода температурой 90-100 градусов. Для стандартных домашних радиаторов отопления это слишком много. Можно сильно обжечься при случайном прикосновении. По этой причине требуется добавить в схему еще один смесительный клапан. Он будет подмешивать в контур остывшую воду.
Если в доме устроены теплые полы, существует возможность подключить их в контур радиаторов для подачи обратки. Потребуется установить еще один насос. Подсоединение пойдет на смесительный узел. По причине высокой температуры воду из нагретого теплообменника забирают не напрямую, а через предохранительный смесительный клапан. Эта деталь устанавливается, чтобы при работе с системой и ее проверке не ошпариться горячим паром.
На следующем этапе подключаем линию рециркуляции теплоносителя в системе через специальный насос. Расставляем в контуре обратные клапаны в соответствии со схемой. На этом полный комплект функциональных элементов завершен, перейдем к арматуре.
Перед котлами требуется поставить еще один фильтр. Затем в высших точках системы монтируем дополнительно автоматические воздухоотводчики. Далее обеспечиваем слив и наполнение системы. Для этого расставляем шаровые краны так, чтобы в дальнейшем выполнять техосмотр и ремонт оборудования, не сливая теплоноситель из контура. Краны нужны для:
- расширительного бака;
- котлов;
- насоса.
В том случае, когда на котлах отсутствуют штатные термометры, их устанавливают дополнительно. Также потребуются два контрольных термометра, расположенные на буферной емкости. Они облегчат контроль работы системы и ее наладку.
Обвязка и тип циркуляции
Выбор типа обвязки в значительной мере зависит от способа циркуляции теплой жидкости по трубам и батареям контурной системы. Их два – естественное перемещение и принудительное.
Естественная циркуляция теплоносителя

При варианте циркуляции энергоносителя, называемой естественной, обвязка твердотопливного котла отопления в частных домах предусматривает обязательное применение расширительного бачка закрытого типа. Его рекомендуется размещать на «обратке» в самой нижней ее точке и заполнять водой примерно на 10% рабочего объема. В состав такой схемы входят следующие элементы:
- сам котел отопления, работающий на пеллетах, например;
- вводная и выводная арматура;
- отопительные радиаторы;
- прямой и обратный трубопроводы;
- типовой расширитель мембранного типа.
К элементам безопасности систем естественной циркуляции относится устанавливаемый в них предохранительный клапан, соединяемый со сливным отверстием посредством резинового шланга. Его основное назначение – сбрасывать избыток давления при перемещениях теплоносителя по трубам ТТ котла. Помимо этого к ним же принято относить специальные измерительные приборы – манометры, с помощью которых удается визуально оценить величину давление в системе.
Иногда устанавливать эти элементы по отдельности нет необходимости, поскольку они уже входят в комплектацию котла выбранного типа.
Последний вариант возможен при приобретении настенных моделей в соответствующем конструктивном исполнении.
Обвязка с принудительной циркуляцией
Этот вариант обустройства обвязки ничем существенным не отличается от закрытой системы с естественной циркуляцией теплоносителя. Но в ней появляется один дополнительный элемент – электрический насос. Как правило, он устанавливается в обратной ветке трубопровода сразу после мембранного бачка (перед вводным штуцером теплообменника).
Эксплуатация насосного оборудования сопровождается установкой в отопительном контуре датчика температуры, монтируемого в обратной ветке.
Наличие в системе электрического насоса позволяет гибко управлять ее работой, поскольку появляется возможность монтировать на радиаторах запорную и регулирующую арматуру. Благодаря этому циркулирующий под давлением теплоноситель легко преодолевает самые удаленные и узкие участки трубопровода из полипропилена.
Коллекторная система
Коллекторная система отопления
Коллекторная обвязка твердотопливного котла включает в себя примерно те же элементы, что и обычные агрегаты. Единственным исключением является наличие в ней нового компонента, называемого коллектором. Сантехники называют его гребенкой, что объясняется сходством этого узла с женским гребнем. Он сделан в виде протяженной толстой трубы, от которой отводится несколько тонких патрубков – один из них входной, а остальные являются выходными. Через первый подается горячая вода, которая при протекании по системе патрубков равномерно распределяется между потребителями. У выводного отвода медного коллектора все эти потоки вновь собираются вместе и направляются в «обратку».
Установка котла длительного горения
Для использования в помещении, был выбран вариант котла длительного горения, от компании NewTerm. Мощность котла, составляет 64 – 79 Квт, по заявленным производителем характеристикам. Высота котла чуть более 1,5 метра, диаметр – 0,76 метра.
В целом, котёл неплохой. Имеет два люка для работы, один – для загрузки топлива в камеру сгорания.

Второй люк, для чистки от шлака и золы, чистки камеры сгорания от остатков.

Из недостатков, можно отметить следующие:
- Непродуманная система герметизации люков;
- Использован неподходящий метал, для защиты люка, от перегрева (слишком тонкий, при первом же пуске, «повело» кожух);
- Для котлов, мощностью от 50 КВт и более, нужен более мощный вентилятор, так как поддув, идёт только под колосники.
- Не продумана возможность работы котла при естественной тяге. Нет отдельного люка или спец-шлюза для этого.
Все замечания по недостаткам, описаны на моё личное мнение, и не претендуют на исключительность.
После установки котла, производим выравнивание котла с помощью специальной балансировкой опорными ножками. Удобно предусмотрена такая возможность. Добиваемся максимально возможной горизонтальной и вертикальной «ровности» котла.

На фото выше, плохо видно, но можно заметить ножки для балансировки котла.
Нюансы и варианты обвязки для разных типов котлов
Общие рекомендации опытных мастеров:
Схема монтажа подбирается индивидуально.
Котел устанавливают согласно правилам СНИиП ниже уровня приборов отопления.
Напольный котел перед обвязкой полипропиленом устанавливается на металлическое или бетонное основание.
Системы принудительной вентиляции и аварийного освещения рекомендуются для всех вариантов агрегатов.
В обвязку устройства, работающего на газовом топливе, включается коаксиальный дымоход, который при монтаже уплотняется по всем стыкам.
После завершения обвязки котлоагрегата и дымохода, приступают к устройству системы безопасности в следующем порядке: приборы по давлению среды (манометры), защитные приборы и далее автоматический воздухоотводчик.
Коллекторную схему выполняют трубопровод PPR 1.25 дюйма, по движению среды устанавливают защитные устройства, циркуляционный насос, гидрострелка и воздушник.
Для подачи отопительного теплоносителя к приборам нагрева от гребенки отводят 3 ответвления трубы PPR 1.0 дюйма, а остальные закрывают заглушками.
Подключают приборы нагрева и обратку.
В комбинированной системе нагрева контур теплого пола оборудуют самостоятельным наосом, при этом расширительный бачок устанавливают между гидрострелкой и котлоагрегатом.
Обвязку котлоагрегата завершают установкой дренажного крана, его используют также для заполнения контура, но лучше, если это будут два самостоятельных вентиля
Точка установки зависит от выбранной системы, но есть общие условия — дренажный вентиль устанавливается в нижней точке, что особенно важно, если планируется законсервировать систему зимой, чтобы в ней не осталось воды.
Газовое оборудование
Обвязку такого оборудования полипропиленовыми трубами выполняют с самостоятельной схемой и контурным насосом, создающим рабочее давление на малом участке сети от источника до распределителя.
Обвязывать такими трубами газовый агрегат допускается без стальных патрубков, поскольку температура нагрева на подаче не превышает 80 С.
В агрегате, работающем на газе, с чугунным бойлером, монтируют теплоаккумулятор, который помогает сбалансировать гидравлический режим и препятствует резким скачкам температур, влияющим на хрупкие чугунные поверхности нагрева. При обвязке 2х- контурных котлов дополнительно нужно размещать фильтры тонкой и грубой очистки воды.
Электрический нагреватель
Обвязка электрического котла полипропиленом вполне допустима. Котел имеет высшую оценку защитной системы, не дающей закипеть воде в агрегате, с последующим образованием пара и разрывом трубы. Процесс нагрева прекращается при отключении подачи электроэнергии на электронагревательные элементы.
Кроме того в системе имеются встроенные гидроаккумуляторы и устройства, для сброса излишнего давления среды, которое может образоваться при внезапном отключении электроэнергии и остановки насоса перекачки горячей воды к приборам нагрева и точкам водоразбора.

Обвязка твердотопливного котла
Твердотопливные модели
Это самый проблемный агрегат для обвязки из пластиковых труб. Для него установка защитного метрового патрубка на входе/выходе среды – обязательна, чтобы защитить их от перегрева. Для систем с насосной циркуляцией, потребуется дополнительное устройство резервного электропитания, чтобы продолжить охлаждение котла при аварийном отключении основного источника электричества. Кроме того выполняют малый гравитационный контур с небольшим количеством подключенных батарей, чтобы охладить котловые поверхности нагрева, пока не выгорит все топливо.
Твердотопливный котел по требованиям правил пожарной безопасности накрывают защитным кожухом, существенно снижающего теплопотери от стенок топочной камеры в котельную и, следовательно, негативное воздействие на PPR-трубы
Небольшая памятка для монтажа пластиковых труб — качество будет определяться не только монтажными работами, но и выбранным сортаментом труб. Следует приобретать все основное и вспомогательное оборудование котельной, только сертифицированные у зарекомендовавших поставщиков. Полимерные трубы не требуют изоляционных работ и покраски, на них не образовывается накипь и коррозия, они отличаются высокой шумоизоляцией. Стоимость материала ниже, а трубы легче, чем из металла, поэтому монтаж можно выполнить своими руками.
Различные трубы для обвязки настенного газового котла
Что такое обвязка котла отопления
Обвязка котла отопления это подключение газового котла к системе отопления, водоснабжения (если она предусмотрена) и газу, как топливу. В обвязку котла входит подключение всех необходимых приборов, обеспечивающих надежную работу и управление котла.
Согласно строительным нормативным документам и инструкциям производителей подводка газа к котлу отопления должна осуществляться только через жесткое соединение.
Под жестким соединением подразумевается металлическая труба, а соединение производится по сантехническим технологиям соединений металлических труб, через металлический «сгон». Также подойдут полипропиленовые трубы со стекловолокном для горячего водоснабжения.
Если вы живете в Казахстане вы можете посмотреть и скачать каталог труб на сайте
Важно
Важно! В качестве уплотнения соединений трубы газового подвода, используются ИСКЛЮЧИТЕЛЬНО, прокладки из паронита. Другие прокладки типа резина, а также уплотнение резьбы соединений фум-лентой и паклей ЗАПРЕЩЕНЫ
Паронит это уплотнительный материал на основе асбеста, минеральных волокон и каучука, изготовленный методом вулканизации и отличается не горючестью.
Подвод труб отопления и водопровода
Во всех инструкциях и нормативах сказано, что соединения водопроводных труб и труб отопления с газовым котлом должно быть, также, жесткое. Это значит, что можно использовать любые трубы для обвязки газового котла, а само соединение труб отопления и водоснабжения с газовым котлом выполняются через металлические сгоны.
Соединение труб в обвязке выполняются по стандартам простых сантехнических соединений, а именно:
- Металлические резьбовые соединения делаются с уплотнительной подмоткой;
- Полипропиленовые трубы соединяются на специальной сварке;
- Полиэтиленовые трубы соединяются на обжимных фитингах;
- Металлопластиковые трубы соединяется цанговыми соединениями или компрессионными фитингами;
- Соединения медных труб пропаиваются или соединяются цангой.
Трубы для обвязки настенного газового котла
Для обвязки настенного газового котла используются любые трубы, нормированные для сантехнических систем (водяной и отопительной), а именно:
- Трубы полипропиленовые;
- Трубы металлические;
- Трубы медные;
- Трубы из сшитого полиэтилена;
- Металопластиковые трубы.
Каждая из перечисленных труб имеет свои особенности соединений и подключений, о которых в следующих статьях.
Понимание котла простым языком
Итак, твердотопливный котел по сути — это большая металлическая емкость, внутри которой горит «костер» на твердом топливе. Основная проблема такого принципа обогрева (с этой проблемой сталкивается и производитель котельного оборудования, и пользователь, устанавливающий и эксплуатирующий это оборудование) — это проблема контроля интенсивности горения внутри котла. Если с газовым и электрическим оборудованием все предельно ясно, то в случае твердого топлива контроль становится действительно проблематичным.
Однако производители постоянно работают над улучшением характеристик своей продукции, и 99,9% производимых твердотопливных котлов контролируют процесс горения с помощью автоматики, которая управляет насосами котла, и (самое важное) вентилятором, который подает внутрь камеры воздух. При замедлении или остановке вентилятора подача воздуха прекращается, образуется нехватка кислорода (для поддержания горения), и котел снижает интенсивность горения
Отметим, что снижается именно интенсивность горения, полного прекращения процесса не происходит. Именно в этом и кроется корень проблемы, и он отражается в двух аспектах:
- Если ваша система отопления уже нагрелась, но внутри котла все-таки присутствует еще некоторое количество несгоревшего топлива, в доме будет становиться все жарче. Фактически это означает, что остаточное топливо расходуется бесполезно (тепло «улетает в трубу»).
- Аспект безопасности: если произошло внешнее отключение электроэнергии, остановился насос и вентилятор, температура внутри камеры будет расти, котел может «вскипеть», и ситуация может стать опасной вплоть до физического разрушения котельного оборудования.
Именно поэтому главное требование к твердотопливному котлу — наличие грамотно рассчитанной и подобранной автоматики, которая сможет использовать топливо максимально эффективно и безопасно. Для повышения эффективности и безопасности рекомендуется устанавливать в систему теплоаккумуляторы.
Приступаем к разбору схем обвязки твердотопливных котлов. Заранее отметим, что все схемы приведены для закрытых систем отопления, работающих под избыточным давлением и не имеющих в своем составе открытого расширительного бачка, напрямую связанного с атмосферой.
Особенности работы котла на твердом топливе
Эта отопительная система вырабатывает тепло за счет сжигания топлива твердого (древесина, уголь, торф, пеллеты). Отличается своими особенностями, которые непосредственно влияют на ее эффективность и безопасность:
- Инерционность. Котел твердотопливный невозможно остановить сразу. После прекращения подачи кислорода система продолжает работу, пока не закончится кислород внутри топки, либо пока топливо не прогорит. Это может привести к перегреву теплоносителя, образованию большого количества пара. Как следствие – разрушение корпуса котла или частей системы отопления.
- Конденсат. Появляется, когда котел подключен напрямую, через котловой бак проходит теплоноситель невысокой температуры. Приводит к коррозии стальных стенок топлевника. При этом, смешиваясь с пеплом, он превращается в липкую массу, которую отчистить сложно.
Чтобы исключить перечисленные проблемы, следует правильно организовать обвязку котла с обязательным включением в нее группы безопасности. Рассмотрим подробнее, для чего нужна обвязка твердотопливного котла отопления, основные схемы установки.
Схема отопления с двумя котлами
Часто с твердотопливной установкой используют маломощный прибор, работающий на ином виде горючего, – электрокотел или газовый, запитанный от баллона.
Это дает такие преимущества:
- Если пользователь забудет подложить дрова, второй агрегат запустится автоматически и не даст системе остыть.
- Основной отопитель работает с максимальным КПД.
Основное оборудование подбирают не по наименее низкой, а по среднезимней температуре. Это дает возможность эксплуатировать его большую часть времени в режиме номинальной производительности, а значит, с максимальным КПД.
Схема отопления с двумя твердотопливными котлами.
Второй котел используют:
- в экстремальные холода;
- во время простоя основного отопителя из-за отсутствия горючего или в период обслуживания;
- в межсезонье (в одиночку).
Применяют разные схемы подключения:
- параллельную;
- последовательную;
- каскадную.
Плюсы и минусы
Можно установить теплоаккумулятор, в котором имеются функции бойлера Плюсы использования теплового аккумулятора:
- Сохраняет тепловую энергию в течение нескольких часов и дней.
- Исключается перегрев котла.
- Тепловая энергия не расходуется зря, а накапливается, чтобы быть использованной в дальнейшем, благодаря этому увеличивается КПД котла и отопительной системы в целом.
- Позволяет экономить финансовые средства.
- Температура воздуха в помещениях легко поддерживается на оптимальном уровне, резкие скачки температуры исключены.
- Нет необходимости в частых загрузках топлива.
- Дополнительно к твердотопливному котлу можно установить гелиосистему, являющуюся бесплатным источником тепловой энергии.
- Некоторые модели термоаккумуляторов для отопления могут совмещать функции бойлера.
- Долгий нагрев – оптимальна установка в домах, предназначенных для постоянного проживания. В дачных коттеджах, которые посещаются зимой в выходные, пользу такой прибор не принесет.
- Высокая стоимость – они стоят примерно столько же, сколько и котел, а иногда и дороже.
- Значительные габариты и вес – из-за этого возникают определенные сложности при транспортировке и монтаже. Кроме того, теплонакопитель, предназначенный для отопления, устанавливают в непосредственной близости к котлу, там же должно находиться дополнительное оборудование, поэтому нередко приходится выделять для установки приборов специальное помещение и подготавливать его специальным образом: обустраивать опорную площадку, способную выдержать вес накопителя. В заполненном состоянии резервуар может весить 3-4.
- Требуется котел высокой мощности – покупка накопителя оправдана, если мощность котла не используется в полной мере, имеется как минимум двойной запас мощности, в противном случае прибор будет бездействовать.
Теплоаккумулятор можно сделать своими руками из нержавейки и медной трубы При изготовлении теплоаккумулятора своими руками удастся сэкономить значительную сумму. Самая простая конструкция изготавливается из стальной нержавеющей бочки или даже листовой нержавейки толщиной не менее 3 мм. Также потребуется медная трубка диаметром 3 см и длиной 14 м. Ее сгибают в виде спирали и помещают внутрь бака. Снизу делают подводку холодной воды, сверху отвод для горячей, устанавливают на отводы запорные краны. Обязательно нужно утеплить теплоаккумулятор, сделанный своими руками для твердотопливного котла, иначе он будет неэффективен. Также необходимо установить датчики давления и температуры.
2 Основные виды котлов
Условно котлы по загрузке делятся на ручные и автоматические. При этом автономное оборудование с учетом применяемого топлива может быть:
- электрическое;
- твердотопливное;
- жидкотопливное;
- газовое.
К отопительным приборам ручной загрузки относятся твердотопливные котлы. В этом случае в качестве топлива применяются уголь, торф, дрова. Это оборудование нуждается в участии человека для загрузки горючего. Сохранение требуемой температуры теплового носителя также должно поддерживаться оператором. Котлы изготовлены в напольном варианте и имеют минимум устройств автоматики.
Закрытый тип с естественной циркуляцией
Также довольно простая схема обвязки с малым числом теплопотребителей. По схеме очень похожа на открытый тип. Отличается включением закрытого расширительного бака с мембраной, который устанавливается на обратном патрубке. Кроме того, не забываем про группу безопасности. Некоторые модели уже укомплектованы ею на производстве.
Емкость расширительная рассчитана на объем более 10% от всего объема теплоносителя.
Здесь есть несколько важных моментов при обвязке котла отопления полипропиленом. Патрубок от теплогенератора до группы безопасности делается из металла, дальше прокладывается из полипропилена. Также участок обратного патрубка с установленным трехходовым краном и датчиком – из металла. Полипропилен обладает малой теплопроводностью. Если на нем установить кран трехходовой, он будет с задержкой реагировать на повышение температуры, а датчик подавать информацию неверно.
В целом же, система обвязки котла отопления полипропиленом выгодна, достаточно практична.
Бак аккумулятор в системе отопления дома
Бак аккумулятор в системе отопления может называться так же буферной емкостью. На сегодняшний день они все чаще начинают использоваться в отопительных системах. Давайте подробнее разберемся что же это такое.

Бак аккумулятор или теплоаккумулятор – это почти центральный элемент в отопительной системе, питающейся от нескольких тепловых источников. Источник тепла не постоянного типа, такой как твердотопливный котел, или солнечная система, нагревает воду в полости бака-аккумулятора, и может удовлетворять умеренные потребности в тепловой энергии обогреваемого пространства. А доля других источников тепловой энергии, у которых более высокие эксплуатационные расходы будет намного меньше.
Электрокотел в многотарифном режиме тоже работает намного более экономно, если он используется в паре с баком аккумулятором, который дает возможность максимально экономить электроэнергию в ночное время.
Отопительные системы в которых есть тепловые насосы тоже часто оснащены баками-аккумуляторами.

Отопительная система, питающаяся от твердотопливного котла при наличии теплоаккумулятора, работает в оптимальном режиме. Теплоноситель поступает из котла в емкость бака аккумулятора максимально разогретым. А уже из заряженного котлом теплового аккумулятора, теплоноситель передается внутрь системы по мере надобности, и не зависит от того, работает ли котел.
Человек, пользующийся тепловым аккумулятором существенно повышает свой комфорт в плане отопления, даже устаревшие отопительные системы, оборудованные буферной емкостью сравнимы с современными по качеству. Загружать топлив, и обслуживать котел можно в любое время. Образуется возможность для полной автоматизации отопительной системы после установки бака аккумулятора. Тепловая энергия из бака будет забираться в том количестве, в котором это необходимо. Бак аккумулятор защитит котел от чрезмерного перегрева. Установка теплоаккумулятора дает возможность для использования материалов из полимеров, а если бак не установлен, то этого делать нельзя.
Порядок подключения котла
Подключение котла
Классическая схема подключения агрегата советует придерживаться двух главных показателей, которые смогут обеспечить в будущем надежное функционирование системы в целом и отопительной установки в частности.
Подключение устройства осуществляется по схеме. В документе указано, как правильно подключить изделие и какой вид топлива будет самым оптимальным. Схематическое изображение подключения прилагается к каждому изделию.
Элементы безопасности агрегата
Самое главное – это установить прямо на выходе подающего патрубка группу безопасности. В дальнейшем, задача данной группы заключается в автоматическом сбросе давления в случае увеличения этого показателя сверх нормы. Регулирует данный вопрос предохранительный клапан, а также автоматический воздуховодчик и манометр. На отрезке воздуховода между группой безопасности и котлом, может быть установлена любая запорная арматура.
Порядок работы схемы
Работа оборудования построена на основании стандартного алгоритма:
- на начальной стадии дрова должны разгореться;
- вода начинает передвигаться по малому кругу;
- при достижении показателя в 50-55 градусов, термоголовка осуществляет нажим на специальный клапан;
- клапан открывается и постепенно холодная вода проникает в котел, смешиваясь с горячей.
- по мере перемешивания температура достигает критического уровня, после чего клапан открывается полностью, смешивая поступившую воду с горячей.
Такой порядок работы самый простой и ее монтаж вполне можно выполнить собственными руками.
Разводка, выполненная медными трудами
Еще один значимый момент – это место размещения циркулярного насоса. Лучше всего следует разместить именно там, где он указан на схеме – на обратке, перед котлом, работающим на деревянном топливе. В целом, насос можно разместить и на подаче, но, при появлении пара вероятность возможного взрыва от скопления пара может существенно возрасти.
Простые схемы
Рис.1 Схема обвязки котла в открытой системе с естественной циркуляцией
Наиболее простой является схема обвязки твердотопливного котла для одноконтурной системы отопления с естественной (гравитационной) циркуляцией теплоносителя. Как правило, в таких системах используются металлические (чаще всего – стальные) трубы относительно большого диаметра, соответствующего диаметру выходного и входного патрубков котла. Лучше всего, если их диаметр будет одинаков. Это позволит, наряду с другими факторами, снизить гидравлическое сопротивление и создать лучшие условия для естественной циркуляции. Такие схемы отличаются максимальной простотой и в обвязке котла необходимо стараться избегать лишних элементов, в той или иной мере препятствующих естественному движению теплоносителя. Поэтому, необходимо по минимуму использовать запорную или регулирующую арматуру и только в местах, где без нее обойтись нельзя. Также, нежелательно присутствие в контуре такой системы различных фильтров. Чаще всего такие системы являются открытыми. Расширительный бак в них выполняет функцию создания избыточного давления и отвода воздуха, поэтому устанавливается в наиболее высокой точке, на максимально возможной высоте ( под потолком или на чердаке).
На рис. 1 : 1 — котел; 2 — дымовая труба; 3 — подающая труба (диаметр 40-50 мм); 4 — «обратка» (диаметр 40-50 мм); 5 — труба (1/2); 6 — расширительный бак открытого типа.
В системах с комбинированной циркуляцией
Рис.2 Схема обвязки для открытой системы с комбинированной циркуляцией
Более сложной является схема для системы с комбинированной (совмещенной) циркуляцией, так как она уже предусматривает наличие в ней специального циркуляционного насоса, а также необходимых элементов его обвязки (байпаса, запорной арматуры, фильтра механической очистки, воздушного клапана). Байпас с циркуляционным насосом может быть установлен, как на подающей трубе, так и на «обратке», в зависимости от наличия места для монтажа и удобства дальнейшего обслуживания.
Воздушный клапан включается в состав байпаса в том случае, если он устанавливается на горизонтальном участке трубы и в конструкции самого насоса не предусмотрена возможность стравливания воздуха.
В случае отсутствия электроэнергии, кран на прямой трубе байпаса открывается и система работает с естественной циркуляцией. Вместо крана в этом месте иногда устанавливают клапан, открывающийся автоматически, при отсутствии электричества.
На рис. 2: 1 — котел; 2 — дымовая труба; 3 — подающая труба; 4 — «обратка»; 5 — труба 1/2″; 6 — расширительный бак; 7 — запорная арматура; 8 — циркуляционный насос; 9 — фильтр; 10, 11 — возможные места расположения байпаса на «обратке» или подающей магистрали.
Если система отопления является закрытой, то в нее вместо обычного открытого расширительного бака устанавливается герметичный мембранный. Это позволяет обеспечивать заданное избыточное давление ( обычно оно составляет около 1,5 бар (0,15 МПа). Кроме того, такая схема должна обязательно включать блок безопасности (предохранительный клапан, манометр, воздушный клапан).
В этом случае необходимо помнить о таких особенностях твердотопливных генераторов тепла, как большая инерционность и сложность быстрого регулирования температуры горения топлива, а значит и теплоносителя. Поэтому при обвязке такого котла полипропиленом, необходимо помнить, что выходящая из него подающая труба должна быть металлической на расстоянии не менее 1,5 м или до первого разветвления. «Обратка» может быть полностью пластиковой, так как в ней температура жидкости редко превышает 70-80 °С. Но внутренний диаметр ее должен соответствовать внутреннему диаметру металлической подающей трубы.
Отопление дома твердотопливным котлом
Отопление дома твердотопливным котлом является сегодня актуальной задачей. Это связано с тоем, что энергоносители дорожают с каждым днем, да и являются не всегда доступными, чего нельзя сказать о твердом топливе.
Так как коттеджное строительство сейчас на подъеме, люди все чаще задаются вопросом отопления своих коттеджей. Газ в дома такого типа проводят не сразу, и иногда это затягивается на длительное время, а дизельное топливо или электричество достаточно дорого стоит.
Естественно, можно пользоваться обычной дровяной печью или камином, но они обладают минимальной теплоотдачей, и вы будете вынуждены все время за ними следить. Установить твердотопливный котел – это оптимальное решение данной проблемы. Твердотопливные котлы можно топить углем, дровами, торфом или специальными древесными топливными гранулами. Отапливать дом при помощи твердотопливного котла – это очень легко в плане обслуживания и временных затрат связанных с этим. Нужно, всего-навсего, время от времени подкидывать топливо.

Твердотопливные котлы бывают классическими и пиролизными. В котле традиционного типа в виде теплоносителя выступает вода, которая нагревается во время сгорания топлива. После этого, уже нагретый теплоноситель распространяется по отопительной системе, тем самым нагревая дом. В пиролизных котлах, они еще называются газогенераторными, принцип работы заключается в сухой перегонке топлива.
Под действием высокой температуры (200 – 800 ºC) в низкокислородной среде, происходит разложение дерева и выделение пиролизного газа. Когда данный газ контактирует с кислородом, он загорается, и это сопровождается выделением большого количества теплоты. В газогенераторном котле, наблюдается увеличение интервала подбрасывания топлива в два раза, если сравнивать с обычным, а КПД может достигать 90%. Кроме этого, в таком котле топливо сгорает полностью.
Ещё котел может зависеть от стороннего притока энергии, а может не зависеть. Энергозависимые котлы нуждаются во внешнем источнике электричества, поскольку они могут быть оборудованы электрической панелью управления, также в них может быть установлен вентилятор, чтобы нагнетать воздух. Благодаря этому, система циркуляции воздуха значительно упрощается.

Подведя итог, можно сказать, что твердотопливный котел вполне может использоваться как основной источник тепла, так и резервный. Несмотря на то, что такой котел требует постоянного обслуживания, он может оказаться единственным доступным решением в отдаленных уголках нашей страны. А доступное и недорогое топливо для него позволяет использовать такие котлы во всех видах загородных домов.





































