Введение
Известно, что при запуске систем отопления большие проблемы вызывают остающиеся внутри воздушные полости и циркулирующие в потоке твердые частицы или шлам. Наличие воздушных полостей и пробок автоматически означает высокую концентрацию растворенных газов в воде, что может вызвать усиление процессов коррозии и эрозии, проблемы с кавитацией, снижение эффективности работы насосов, арматуры и теплообменников. Наличие газов в свою очередь стимулирует появление твердых частиц в теплоносителе. Оседая в местах с наименьшей скоростью, слои частиц резко снижают эффективность теплопередачи. Попадая в насосы и регулирующую арматуру, они быстро выводят оборудование из строя. Процессы коррозии под слоем отложившегося шлама трудно затормозить. Если учесть, что при периодической остановке систем на профилактику на дне трубопроводов оседают тонны частиц, этот процесс каждый раз создает новые источники язвенной коррозии.
Существующие в настоящее время методы и оборудование направлены в большей степени на обработку воды, поступающей в систему /1/
При этом иногда не принимается во внимание, что системы не могут быть идеально герметичными, газовые потоки внутрь систем могут быть достаточно большими даже в закрытых системах, а дегазация крупных и сложных систем может занимать продолжительное время. В этом случае, как и в случае запуска, проблемы могут возникать и при нормальном качестве воды подпитки. Можно отметить также, что в случае ошибок при проектировании или настройке, в некоторых областях систем могут появляться участки отрицательных давлений
В этом случае создаются условия для возникновения устойчивых потоков газа в систему
Можно отметить также, что в случае ошибок при проектировании или настройке, в некоторых областях систем могут появляться участки отрицательных давлений. В этом случае создаются условия для возникновения устойчивых потоков газа в систему.
Принято считать, что в большинстве случаев установка достаточного количества воздухоотводчиков обеспечит дегазацию систем в процессе работы. Чтобы оценить эффективность их применения напомним, что газы в системе находятся в трех состояниях: в виде полостей, пузырьков и микропузырьков и в растворенном состоянии /2/. Работа воздухоотводчиков связана в основном с первой формой, т.к. только появление в верхней части воздухоотводчика значительного объема газа приводит в действие механизм его удаления. Основная масса пузырьков и микропузырьков идущая в потоке просто не успевает подниматься в камеру воздухоотводчика. Поэтому воздухоотводчики должны размещаться в верхних точках системы, в местах локальных возвышений и на радиаторах. В сложных системах необходимо устанавливать большое количество этих приборов. При этом воздухоотводчик наряду с расширительным баком является одним из самых уязвимых элементов. Практически все различия в конструкциях и ценах связаны с разной степенью надежности и защищенности воздухоотводчиков от блокирования их пузырьками или разгерметизации при попадании внутрь спускового механизма частиц грязи.
В сложных системах с большим количеством воздухоотводчиков, установленных в труднодоступных местах трудно проверить качество их работы. Низкая цена (и иногда качество) воздухоотводчиков зачастую не компенсирует трудоемкость обслуживания и потери от возникающих проблем. Не удаленные вовремя воздушные полости могут снова поглотиться водой при изменении режима работы системы, дополнительно стимулируя коррозию. Вытекание воды или попадание воздуха внутрь при разгерметизации воздухоотводчика может быстро вывести из строя любую систему. Автоматические поплавковые воздухоотводчики удаляют воздушные пробки и пузыри по мере их появления в автоматическом режиме /3/. Воздухоотводчики этого типа обеспечивают лучшую герметичность и лучше защищены от блокировки и разгерметизации при попадании в них грязи.
Устанавливаемые внутри контура системы грязевики, как правило, оснащены сетками с крупными ячейками. В противном случае они быстро забиваются, и циркуляционный поток может быть полностью блокирован. Таким образом, можно считать, что внутри системы, как правило, отсутствуют устройства, которые выполняют процессы тонкой очистки теплоносителя от шлама и его количество может расти в результате химических реакций или отслоения отложений.
Отрицательное влияние воздуха на работу системы отопления
Неискушённому человеку трудно поверить, что обычный воздух может становиться колоссальной проблемой. Но приходится признать: на состояние отопительной системы кислород действует, как медленный яд на живое существо.
Приведём лишь некоторые примеры ухудшения работы системы по вине воздуха:
- Мелкие пузырьки воздуха, прилипающие к стенкам радиатора, не позволяют ему отдавать тепло. Эффективность отопительного «организма» резко снижается.
- Насос, подающий воду, быстрее изнашивается.
- Кислород, попадающий в трубы, фильтры, клапаны и потребители, разрушает металл.
- Ржавчина, которая появилась в результате коррозии, «блуждает» вместе с массами воды. Скапливаясь, она становится шламом (грязью) и может привести к неисправности системы.
Стоит отметить: антикоррозионной защиты у насосов, баков и других элементов системы нет. Всё-таки, на присутствие газов в отопительной системе создатели этих конструкций не рассчитывают. Если бы пришлось защищать от разрушительных процессов всю систему, она бы резко подорожала.
Сепараторы с магнитными ловушками
Сепараторы с магнитными ловушками (рис. 11) улавливают нерастворимые примеси железа в воде намного эффективней, чем обычные сепараторы. Стержень с мощным магнитом вставляется снизу снаружи в гильзу сепаратора и вынимается перед операцией вымывания шлама без нарушения герметичности системы. Магнитный стержень отделен стенками гильзы от воды и не требует очистки или защиты от коррозии. Гильза сделана из немагнитного материала, поэтому магнетит оседает вниз и затем шлам смывается через вентиль. Для эффективного вымывания вентиль смещен от центра (создание вихревого эффекта).

Вместо заключения
Диапазон производимых моделей сепараторов позволяет использовать их как для небольших объектов, например коттеджей, так и для защиты объектов мощностью несколько мегаватт и величин потоков несколько сотен кубометров в час, например, крупных котельных и систем водоподготовки. На рис. 12 приведены примеры установки сепараторов.

В системах горячего водоснабжения, как правило, необходимо использовать дополнительные системы защиты от коррозии. Применение сепараторов для дегазации (в верхней точке системы) и удаления шлама (внизу перед циркуляционными насосами или теплообменниками) позволяет достаточно просто и надежно избавиться от свищей, ржавой воды и других проблем.
Литература
1. Gase in kleinen und mittleren Wasserheiznetzen. Technische Universitat Dresden, Institut fur Energietechnik, koordinierter Schlussbericht, AiF Forschungsthema Nr. 11103 B, November 1998.
2. Vermeidung von Schaden in Warmwasserheizungsanlagen, wasserseitige Korrosion. VDI 2035 Bl. 2, Beuth Verlag GmbH, September 1998.
3. Modern hydronic heating for residential and light commercial buildings / by John Siegentaler,1995.
Сепаратор воздуха и шлама: очистка и защита системы отопления
Чтобы отопительная система функционировала без удручающих сбоев, воздуха в ней быть не должно. Внушительное количество кислорода в теплоносителе может «породить» такие явления, как шумные насосы, батареи, которые не нагреваются. Не меньшим бедствием является и коррозия – процесс разрушения металлов, из которых созданы трубы, клапаны. Для защиты системы от разрушительных процессов применяется специальное устройство – сепаратор. Его задача – собрать кислород, «гуляющий» в воде, затем убрать его из теплоносителя.
Отрицательное влияние воздуха на работу системы отопления
Неискушённому человеку трудно поверить, что обычный воздух может становиться колоссальной проблемой. Но приходится признать: на состояние отопительной системы кислород действует, как медленный яд на живое существо.Приведём лишь некоторые примеры ухудшения работы системы по вине воздуха:
- Мелкие пузырьки воздуха, прилипающие к стенкам радиатора, не позволяют ему отдавать тепло. Эффективность отопительного «организма» резко снижается.
- Насос, подающий воду, быстрее изнашивается.
- Кислород, попадающий в трубы, фильтры, клапаны и потребители, разрушает металл.
- Ржавчина, которая появилась в результате коррозии, «блуждает» вместе с массами воды. Скапливаясь, она становится шламом (грязью) и может привести к неисправности системы.
Методы борьбы с воздухом в трубах
До недавнего времени с присутствием газа в трубах специалисты боролись такими способами:
- следили, чтобы система постоянно находилась под небольшим давлением (эта хитрость защищает от подсасывания кислорода);
- использовали специальные трубы, через стенки которых воздух проникнуть не может;
- в тех участках, где кислороду легче всего скапливаться, устанавливали отводчики воздуха.
Опыт показал, что воздухоотводчик наиболее эффективно справляется с задачей ликвидации кислорода лишь тогда, когда он работает в паре с сепаратором.
Способы проникновения кислорода в систему
Многие люди, расстроенные слабым отоплением в жилище и частым скоплением кислорода в радиаторе, спешат обвинить в этих неприятностях специалистов, которые проектируют и устанавливают отопительное оборудование. Неопытному человеку проще сделать вывод, что элементы системы отопления не слишком качественны, негерметичны, чем разобраться в истинных причинах появления газа в трубах.
Назовём основные способы попадания воздуха в систему:
- Кислород оказывается в трубах в виде микроскопических пузырьков, находящихся в толще воды. Когда вода становится горячей, воздух «убегает» из неё, превратившись в свободный газ. И чем больше нагревается жидкость, тем большее количество газа из неё выйдет.
- Воздух проникает через соединительные элементы (прокладки, воздухоотводчики).
- После ремонтных работ кислород может буквально «ворваться» в систему отопления.
Если говорить откровенно, полностью защитить отопительное оборудование от попадания кислорода нереально. Даже длительный простой системы приводит к тому, что воздуха в ней оказывается слишком много, и его приходится спускать.
Чтобы надёжно защитить трубы, фильтры и другие составляющие отопительной системы, необходим воздушный разделитель (сепаратор). Использование этого компактного приспособления помогает решить проблему «воздушного нашествия». А значит, вы избавитесь от шлама, который появляется из-за активности кислорода.
Отводчик воздуха и сепаратор – не одно и то же
Часто приходится слышать вопросы, чем отличается воздушный разделитель от воздухоотводчика. На первый взгляд, эти два приспособления выполняют одну задачу – удаляют из отопительных систем кислород. Но отводчик воздуха убирает газы из системы постепенно, по мере их скопления.
Сепаратор действует более решительно. Он быстро разделяет газы, растворённые в воде, и выводит их из системы отопления.
Если вы желаете, чтобы все элементы отопительной системы работали бесперебойно, стоит установить разделитель воздуха
Важно подобрать компактное приспособление, которое бы справлялось с обязанностями выведения кислорода из теплоносителя. В последние несколько лет огромной популярностью пользуются сепараторы flamcovent
Эффективность этих приспособлений огромна, ведь в основе их работы лежит принцип слияния. Суть метода: крошечные пузырьки воздуха, соприкасаясь с поверхностью устройства, прилипают к ней. За короткий промежуток времени пузырьки объединяются в большие «облака». Потом они отрываются от сепаратора и всплывают.
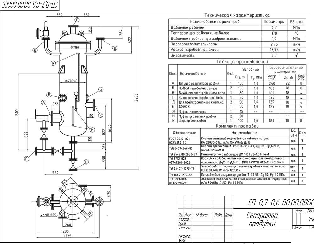
Устройство сепаратора для сбросных вод от непрерывной продувки
Сепаратор имеет несложное устройство, корпус его выполнен в форме вертикальной цилиндрической емкости, работающей под давлением. Исходя от допустимого давления, донышки корпуса выполняются плоскими либо эллиптической формы. Подвод продувочной воды в бак может иметь сплющенную форму либо круглое сечение.
Источник схемы: cotlomash.ru
Закручивание потока входящей горячей воды производится с помощью подачи ее на стенку бака-сепаратора, благодаря размещению внутри специальных направляющих приспособлений. Как правило, расход продувки на сепарационное устройство устанавливается не ниже 1% от паропроизводительности котлоагрегата.
В самом низу имеется дренажный штуцер для периодического освобождения сепаратора непрерывной продувки от шламовых загрязнений. Водяной уровень в баке поддерживают в автоматическом режиме регулятором поплавкового типа.
Преимущества разделителей воздуха Flamcovent
Разумеется, сепараторы воздуха flamcovent не случайно стали наиболее востребованными. Потребителей привлекают в этих устройствах следующие преимущества:
- сепаратор не покрывается ржавчиной;
- работа устройства благотворно влияет на качество воды;
- для очищения разделителя воздуха не обязательна остановка всей системы;
- устанавливать такое приспособление достаточно просто.
Это устройство «вытягивает» из воды механические включения. Удлинённая камера в нижней части корпуса, а также – специальная сетка способствуют осаждению твёрдых частиц
Важно сказать, что в отстойной камере нет pall колец. Благодаря этому нюансу, частицы грязи из разделителя воздуха выводятся без проблем
Смотрите видео, в котором наглядно показан принцип работы сепаратора воздуха и шлама Flamcovent:
Конструкция, назначение и принцип работы гидравлической стрелки
Гидрострелка для отопления состоит из бронзового или стального корпуса с двумя патрубками для подключения к контуру котла (патрубок для подачи + патрубок для обратки), а также нескольких патрубков (как правило 2) для подключения контуров потребителей тепла. В верхней части гидравлического разделителя через шаровой кран или отсекающий клапан монтируется автоматический воздухоотводчик. в нижней части дренажный (сливной) кран. Внутри корпуса заводских гидрострелок часто устанавливается специальная сетка, позволяющая направить мелкие пузырьки воздуха в воздухоотводчик.

Конструкция модели Valtec VT. VAR 00.
Гидравлическая стрелка для отопления выполняет следующие функции:
- Поддержание гидравлического баланса системы. Включение/отключение одного из контуров не влияет на гидравлические характеристики остальных контуров;
- Обеспечение безопасности чугунных теплообменников котлов. Применение гидрострелки позволяет обезопасить чугунные теплообменники от резких перепадов температур (например при проведении ремонтных работ, когда отключается циркуляционный насос, либо при первом включении котла). Как известно, резкое изменение температуры теплоносителя негативно сказывается на чугунных теплообменниках;
- Воздухоотводчик. Гидрострелка для отопления выполняет функции по отводу воздуха из отопительной системы. Для этого в верхней части устройства располагается патрубок для монтажа автоматического воздухоотводчика;
- Наполнение или слив теплоносителя. Большинство как заводских, так и самостоятельно изготовленных гидравлических стрелок оборудуются сливными кранами, через которые возможно производить наполнение или слив теплоносителя из системы;
- Очистка системы от механических загрязнений. Низкая скорость потока теплоносителя в гидравлическом разделителе делает его идеальным устройством для сбора различных механических загрязнений (окалина, накипь, ржавчина, песок и др. шлам). Циркулирующие по системе отопления твердые частицы постепенно скапливаются в нижней части устройства, после чего их можно удалить через сливной кран. Некоторые модели гидрострелок могут дополнительно оборудоваться магнитными уловителями, которые притягивают металлические частицы.
Принцип работы гидрострелки
Разберем принцип работы гидравлического разделителя. Поскольку внутри трубы прибора ничего нет, ясно, что регулирование работы теплоносителя осуществляется за счёт физических законов. Как это работает:
Когда оборудование только запускается, температура теплоносителя ещё не достаточна, чтобы хоть как-то обогреть помещение, а циркуляционные насосы уже разгоняют его по батареям. Вода, достигая гидрострелки, направляется вниз и происходит вращение по малому кругу и котёл работает на себя, быстрее повышая температуру теплоносителя.

Гидравлические процессы, протекающие в гидрострелке
После того, как восстанавливается баланс в температуре подачи и обратки, потоки практически не смешиваются, а гидрострелка выполняет только функции сбора примесей и воздуха из жидкости. Но на практике, такое равновесие практически не достижимо и кратковременно, поэтому наличие гидрострелки всегда будет оправдано.
Если по каким-то причинам увеличивается расход системы, а протоки в котле меньшего диаметра и просто не могут обеспечить больший расход. Тогда вода в гидрострелке смешивается (происходит добавление нужного объема жидкости из обратки к подаче) и каждый элемент системы получает столько, сколько ей требуется – котёл меньше, ветки трубопровода больше.
Отопительные котлы длительного горения особенно остро нуждаются в установке гидрострелки, поскольку имеют несколько режимов топки (от розжига до затухания) и на каждом этапе работы требуется создать стабильные условия давления и температуры.
Техническая характеристика сепаратора РЗ-БСД
Производительность, т/ч………7
Эффективность, %………50…60
Расход воздуха, м3/ч……… 3250
Диаметр наружного цилиндра, мм……1174
Размеры пневмосепарирующего канала, мм. . . 2800x60x400
Габаритные размеры, мм……. 1174x1174x2182
Масса, кг…………335
Расход воздуха регулируют дроссельным клапаном, установленным в нижней части отсасывающего воздуховода. Если в нем обнаруживают целые зерна, скорость воздуха уменьшают дроссельным клапаном. Наблюдая в цилиндрическое прозрачное окно, можно заметить неравномерность поступления зерна. В этом случае открывают продольные отверстия для забора воздуха. Дополнительный приток воздуха в верхней части способствует более равномерному распределению зерна.
Аспирационную колонку А1-БКА (рис.) относят к устройствам с каскадным принципом пневмосепарирования, она предназначена для выделения примесей из зерна злаковых культур, разделения продуктов шелушения крупяных культур, отличающихся аэродинамическими свойствами, а также для контроля крупы и лузги.
Рис. Аспирационная колонка А1-БКА
Над питающим валиком 12 размещен грузовой клапан 14, регулирующий толщину слоя продукта. Под валиком 12 расположены наклонные скаты 15 и четыре поворотных клапана, образующих каскады сепарирования. Клапаны 16 позволяют регулировать направление воздушного потока и прохождение продукта в зоне сепарирования. В нижней части корпуса на выходе из машины установлено магнитное устройство 17, представляющее собой набор малогабаритных магнитных дуг, соединенных полюсными накладками.
Осадочная камера 10 имеет вверху клапан 13 для регулирования расхода воздуха и соответственно скорости воздуха в зоне сепарирования. В нижней части камеры расположены два ряда разрезных клапанов 8, которые в процессе работы в результате образующегося вакуума прижимаются к наклонному скату и по мере накопления продукта силой его тяжести открываются, выпуская продукт (легкие примеси), не нарушая герметичности. Для регулирования положения клапанов 16 служат рукоятки 1, установленные на наружной боковой поверхности колонки. Здесь же находятся смотровые окна 6, 7 и 9.
Колонка имеет два прямоугольных отверстия, предназначенных для присоединения самотечной трубы и патрубка для аспирации, к которому подсоединяют воздуховод аспирационной сети. На передней стенке колонки сделаны два люка со съемными фортками 2, которые обеспечивают доступ к питающему валику и магнитному устройству. Электродвигатель 4 и редуктор 3 устанавливают на кронштейне 5, прикрепленном к корпусу 11 колонки.
Продукт через приемное отверстие попадает на питающий валик диаметром 70 мм и равномерной лентой через грузовой клапан поступает на первый неподвижный наклонный скат. Далее, перемещаясь с одного ската на другой, продукт каждый раз изменяет направление движения, образуя четыре каскада. На всем пути перемещения продукт продувается воздушным потоком, который увлекает и уносит в осадочную камеру легкие примеси (лузгу, пыль, мелкий сор и т.д.).
Зерно (или ядро), пройдя все каскады пневмосепарирования, поступает в нижнюю часть корпуса на наклонную плоскость магнитного устройства и, пройдя по ней, выводится из машины, а металломагнитные примеси удерживаются на полюсных накладках. Эти примеси периодически удаляют, очищая рабочую поверхность магнитного устройства. Легкие примеси осаждаются в камере 10 и по мере накопления выводятся из машины.
В период пуска колонки необходимо отрегулировать подачу продукта с помощью грузового клапана 14, общий расход воздуха на колонку (клапан 13) и по каскадам (клапаны 16), ориентируясь на максимально достигнутую технологическую эффективность. Воздушный режим в процессе эксплуатации необходимо периодически регулировать.
Сепараторы для дегазации и удаления шлама
Рис.1 Сепаратор
Появившиеся в последние годы в РФ сепараторы начали производиться в Европе более 30 лет назад и стали стандартным элементом для дегазации и удаления шлама из систем отопления и водоснабжения. Кроме удаления пробок, сепараторы извлекают микропузырьки и частицы шлама из потока воды и объединяют в себе функции воздухоотводчиков, фильтров и деаэраторов. Сепараторы не требуют расходных материалов, энергии и сервисного обслуживания, работают несколько десятков лет, имеют простую и надежную конструкцию без движущихся частей.
Универсальный сепаратор представляет собой металлический цилиндр с воздухоотводчиком наверху, вентилем для сброса шлама внизу и неподвижным механическим сепарирующим элементом внутри (Рис.1). Элемент внутри сепаратора обеспечивает быструю транспортировку микропузырьков наверх и осаждение нерастворимых частиц внизу при прохождении потока воды через сепаратор. Автоматический поплавковый воздухоотводчик сепаратора выводит накапливающийся наверху воздух, а периодическое удаление шлама осуществляется вручную с помощью шарового вентиля внизу сепаратора. В обоих случаях система не разгерметизируется. При начальном заполнении системы водой большие воздушные пузыри быстро удаляются с помощью специального вентиля в корпусе воздухоотводчика. Сепараторы устанавливаются вертикально.
Сепараторы разных фирм, как правило, отличаются разным типом сепарирующих элементов. В сепараторах Пневматекс (Швейцария) в качестве такого элемента используются лепестковая спираль (спирали) с профилированной поверхностью из нержавеющей стали, установленная вертикально вдоль оси сепаратора ( Рис.1). Разными могут быть и механизмы извлечения газов и твердых частиц. Как правило, при этом используется гравитационный механизм осаждения частиц и возгонки пузырьков. Для усиления эффекта снижается скорость потока внутри сепаратора (увеличение поперечного сечения), производится ламинаризация потока. В некоторых моделях используется центробежный эффект при раскручивании потока внутри сепаратора. При использовании рабочих элементов с большой площадью включается механизм сорбции микропузырьков на поверхности с дальнейшим их слиянием в более крупные пузырьки и всплытием.
Диапазон применения сепараторов достаточно широк.
Например, промышленные сепараторы Пневматекс (типоразмеры DN 50 – 600 mm) способны обрабатывать потоки в диапазоне 5 – 2000 м 3 /ч. Корпуса промышленных сепараторов изготовляются из стали.
Латунные сепараторы для небольших объектов (типоразмеры DU 20 – 40 mm) обрабатывают потоки до 5 м 3 /ч. Все сепараторы из латуни собираются из базовых элементов и легко трансформируются.
Очищение металла от мусора с помощью сепаратора
Сбор и переработка металлолома – один из доходных бизнесов, который сегодня процветает
Лидеры этой сферы деятельности внимание уделяют качеству лома. То есть потребителям, а это металлургические заводы, должен поставляться чистый черный металлолом, без цветмета и других примесей
Поэтому установка в технологию сепараторов – важная часть успеха предприятия в борьбе за качество. Здесь требуется специальный подход, где решаются две основные задачи:
- Отделить черный металл от всех остальных материалов.
- Выделить из мусора цветмет.
Поэтому в технологических схемах монтируют две разновидности сепараторов: вихретоковые и с постоянными магнитами.
Как очистить: технология и схема процесса
Процесс очистки делится на два этапа:
- Подготовка.
- Очистка.
Первый – это когда поступивший на базу металлолом с мусором необходимо измельчить, для чего применяют дробилки, измельчители и другое оборудование.
Затем происходит разделение всей массы по фракциям. Каждая из них соответственно очищается от неферромагнитных кусков
Здесь важно учитывать, что цветной и драгоценные металлы составляют значительную прибыль предприятий. Поэтому на этапе отделения их из всей массы остального мусора производят с помощью вихретоковых сепараторов
А на первом этапе устанавливают обычные с постоянными магнитами.
Любое нарушение технологии приводит к снижению качества. Поэтому нужно точно соблюдать технологическую карту расстановки оборудования. Нельзя перепутать местами одну модель сепараторов с другой.
Изготовление фильтра в пылесос своими руками
Назначение и разновидности мусоросортировочных комплексов
Что такое моющий пылесос и как правильно им пользоваться
Назначение аквафильтра и его самостоятельное изготовление
Все о древесных измельчителях — описание, характеристики
Как сделать пылесос для строительной пыли своими руками
Преимущества разделителей воздуха Flamcovent

Потребителей привлекают в этих устройствах следующие преимущества:
- сепаратор не покрывается ржавчиной;
- работа устройства благотворно влияет на качество воды;
- для очищения разделителя воздуха не обязательна остановка всей системы;
- устанавливать такое приспособление достаточно просто.
Полезно знать: сепаратор flamcovent clean может удалять из системы не только воздух, но и шлам.
Это устройство «вытягивает» из воды механические включения. Удлинённая камера в нижней части корпуса, а также – специальная сетка способствуют осаждению твёрдых частиц
Важно сказать, что в отстойной камере нет pall колец. Благодаря этому нюансу, частицы грязи из разделителя воздуха выводятся без проблем
Смотрите видео, в котором наглядно показан принцип работы сепаратора воздуха и шлама Flamcovent:
Отрицательное влияние воздуха на работу системы отопления

Приведём лишь некоторые примеры ухудшения работы системы по вине воздуха:
- Мелкие пузырьки воздуха, прилипающие к стенкам радиатора, не позволяют ему отдавать тепло. Эффективность отопительного «организма» резко снижается.
- Насос, подающий воду, быстрее изнашивается.
- Кислород, попадающий в трубы, фильтры, клапаны и потребители, разрушает металл.
- Ржавчина, которая появилась в результате коррозии, «блуждает» вместе с массами воды. Скапливаясь, она становится шламом (грязью) и может привести к неисправности системы.
Стоит отметить: антикоррозионной защиты у насосов, баков и других элементов системы нет. Всё-таки, на присутствие газов в отопительной системе создатели этих конструкций не рассчитывают. Если бы пришлось защищать от разрушительных процессов всю систему, она бы резко подорожала.
Flamco

Оборудование Flamco для систем отопления, водоснабжения и кондиционирования. Каталог продукции Flamco: расширительные баки, сепараторы воздуха и приемные воронки.
В 1950-х годах компания первой представила на рынке отопительную систему закрытого типа, которая основывалась на применении расширительного бака Flexcon. Изначально модельный ряд был небольшой и скромный. Вскоре он невероятно расширился, а сегодня более 30 млн. баков от Flamco установлены по всему миру.
Компания производит:
- расширительные баки с мембраной (расширительной/сменной);
- сепараторы воздуха;
- установки поддержания давления;
- воздухоотводчики;
- приемные воронки;
- аксессуары.
Преимущества продукции Flamco
- Роботизированное производство — минимизирует человеческий фактор и повышает качество изделий
- Покраска до сборки — исключает возможность возникновения коррозии на защемленной кромке
- Широкая продуктовая линейка — от воздухоотводчиков до АУПД
- Разнообразие типоразмеров — объем расширительных баков может варьироваться от 2 до 12 500 л.
Три типа баков Flamco
- баки с диафрагмой, зафиксированной для использования в быту и небольших коммунальных системах;
- баки со сменными диафрагмами;
- автоматические расширительные системы, которые управляются с помощью компрессоров и применяются в больших системах отопления, охлаждения или кондиционирования.
Если воздух попадает в систему отопления, это оказывает крайне негативное воздействие на ее работу. Компания предлагает три варианта решения данной проблемы:
- поплавковые воздухоотводчики Flexvent — предназначаются для местного удаления воздуха, к примеру, в радиаторах;
- воздушные сепараторы Flamcovent — используются для удалении воздуха из всей системы отопления. Компания запатентовала уникальный метод PALL колец, который является принципиально новым в сфере удалении воды и газов и обеспечивает высокие результаты;
- сепараторы Flexair — целесообразно использовать в трубопроводах, по которым жидкость двигается на чрезвычайно высокой скорости.
http://www.flamco.co.uk





































