Выбор расширительного бака
Расширительный бак в закрытых системах представляет собой ёмкость с высокими показателями герметизации, которая разделена в горизонтальной плоскости специальной мембраной. В верхней части такой ёмкости может находиться инертный газ, который повышает эксплуатационные характеристики устройства.
Принцип действия этого устройства основан на температуре теплоносителя. То есть, пока этот показатель низкий — ёмкость будет пустой. После того как теплоноситель нагреется до высокой температуры, происходит удаление, образовавшегося в результате температурного расширения, излишка в ёмкость. При этом происходит подъём мембраны и сжатие инертного газа.
 
Расширительный бак для такой системы отопления должен быть герметичным и оснащенным манометром
Описанный выше процесс, как правило, фиксируется на измерительном приборе (манометре) и может послужить сигналом для уменьшения интенсивности подогрева теплоносителя. Некоторые разновидности таких баков оснащаются предохранительным клапаном, который необходим для того, чтобы сбросить излишки газа.
Теплоноситель в такой ёмкости постепенно охлаждается и давление инертного газа, воздействующее на него, постепенно выдавливает теплоноситель обратно в конструкцию. После удаления остывшего теплоносителя из бака происходит выравнивание давления на измерительном приборе.
Мембраны для таких устройств подразделяют на два типа в зависимости от их формы:
- тарельчатые;
 - грушевидные.
 
Плюсы горизонтальных систем отопления
Когда речь заходит о том, какие существуют достоинства систем, то к ним нужно отнести следующее:
- Самым главным преимуществом является то, что при отключении отопления, это можно сделать только на одну квартиру. Если вдруг случилась какая-то авария или ведутся ремонтные работы, то не обязательно отключать весь стояк. Для этого нужно произвести отключение только лишь одной квартиры.
 - Можно на каждую квартиру поставить счётчики тепла, что позволит установить самые экономичные параметры по микроклимату. Если вас долго нет дома, то температуру можно снизить и оставить на минимуме. При этом, вы не будете переплачивать за неиспользованные ресурсы.
 - Разводка будет полностью независима от остальных квартир. Можно запроектировать индивидуальную систему, сэкономить количество труб. Всё будет зависеть только от желания проживающих в помещении людей. Помимо этого, при любой прокладке можно всё равно улучшить эстетические параметры любой комнаты.
 - Систему отопления можно ремонтировать. При этом, обычно всё прокладывается в гофре, а при необходимости можно заменить любой участок.
 - Период такой службы практически в 2 раза больше, нежели у традиционных систем. Это будет экономически выгоднее.
 - Благодаря тому, что встраивается автоматически дистанционное управление, упрощается контроль за расходом тепла.
 - Все материалы достаточно прочные, поэтому они будут служить на протяжении долгого времени.
 - Сейчас есть несколько схем горизонтального отопления, которые имеют свои плюсы и минусы. Каждый может выбрать для себя то, что ему будет выгоднее.
 

Отопительные приборы бывают:
- Алюминиевые, биметаллические и стальные радиаторы.
 - Панельные приборы отопления
 - Секционные приборы водяного отопления
 - Конвекторы
 - Алюминиевые радиаторы
 - Биметаллические радиаторы
 - Чугунные радиаторы колончатого типа – это практически самый распространенный вид радиаторов. Они долговечны к тому же практичны в использовании.
 
 Система водяного отопления
(Водяной воздушный отопление радиационный)
Самое распространенное в России отопление – водяное. В этом случае тепло передается в помещения горячей водой, содержащейся в приборах отопления. Наиболее привычный способ – водяное отопление с естественной циркуляцией воды. Принцип прост: вода перемещается из-за разницы температур и плотности. Более легкая горячая вода поднимается от отопительного котла вверх. Постепенно остывая в трубопроводе и отопительных приборах, тяжелеет и стремится вниз, обратно к котлу. Основное преимущество такой системы – независимость от электроснабжения и достаточно простой монтаж. Многие российские умельцы справляются с ее установкой самостоятельно. Кроме того, небольшое циркуляционное давление делает ее безопасной. Но для работы системы требуются трубы увеличенного диаметра. При этом пониженная теплоотдача, ограниченный радиус действия и большое количество времени, требуемое на запуск, делает ее несовершенной и подходящей только для небольших домов.
Более современны и надежны схемы отопления с принудительной циркуляцией. Здесь вода приводится в движение за счет работы циркуляционного насоса. Он устанавливается на трубопроводе, подводящем воду к теплогенератору, и задает скорость потоку. см. Установка насоса
Быстрый запуск системы и, как следствие, быстрый прогрев помещений – достоинство насосной системы. К недостаткам относится то, что при отключении электропитания она не работает. В результате это может привести к замораживанию и разгерметизации системы. Сердце системы водяного отопления – источник теплоснабжения, теплогенератор. Именно он создает энергию, обеспечивающую тепло. Такое сердце – котлы на разных видах топлива. Наиболее популярны газовые котлы. Другой вариант – котел на дизельном топливе. Электрические котлы выгодно отличаются отсутствием открытого пламени и продуктов горения. Твердотопливные котлы не удобны в эксплуатации из-за необходимости частой топки. Для этого надо иметь десятки кубометров топлива, площади для его хранения. А добавьте сюда трудозатраты на загрузку и заготовку! Кроме того, режим теплоотдачи твердотопливного котла цикличен. И температура воздуха в отапливаемых помещениях заметно колеблется в течение суток. Место для хранения запасов топлива также необходимо и для котлов на жидком топливе. см. Установка теплогенератора
Виды отопительных систем
Независимо от того, какая из отопительных конструкций используется, принцип действия остаётся один — теплоноситель подогревается в котле до нужной температуры и циркулирует по трубопроводу до отопительных приборов, постепенно остывая. После того как теплоноситель отдаст своё тепло, он возвращается обратно в котёл и процесс повторяется.
В качестве теплоносителя, как правило, выступают два вещества:
- вода;
 - антифриз.
 
Существует два основных вида отопительных систем, которые классифицируются по конструкции расширительного бака. Расширительный бак — это устройство, которое компенсирует температурное расширение теплоносителя при его нагреве.
Система отопления может быть закрытая и открытая. Рассмотрим эти два вида более подробно:
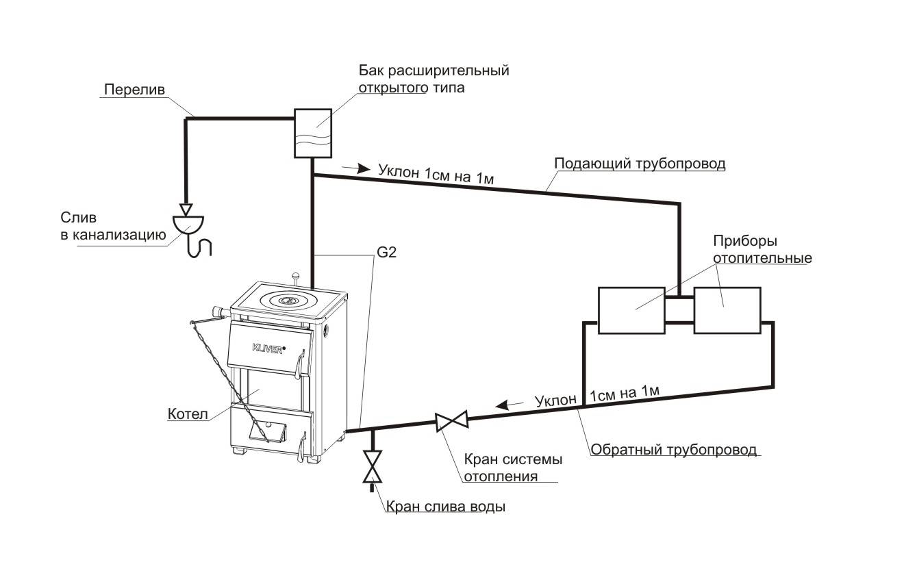
Открытая. В такой конструкции расширительный бак является негерметичным. Поэтому при прокладке такой коммуникации в частном доме в качестве бака можно использовать любую подходящую ёмкость
Однако существует одно очень важное правило, которое следует соблюдать при монтаже открытой отопительной конструкции — расширительный бак должен располагаться выше других элементов системы. Закрытая
В закрытой отопительной коммуникации бак обладает герметичностью. Благодаря этому, такую ёмкость можно монтировать в любой точке системы.
В закрытой системе расширительный бак должен быть большим, но расположить его можно в любом месте
В некоторых случаях отопительные баки стыкуются с котлом (так называемый встроенный бак). Емкости для закрытых конструкций в основном представлены мембранным типом.
Как же действует открытая система отопления?
Чтобы запустить систему, нет необходимости устанавливать насос. Теплоносители постоянно находятся в замкнутой системе, поэтому нет никаких потерь. Монтаж системы отопления настолько прост, что не требует специальных навыков.

Каковы же главные части системы?
- Газовый или твердотопливный котел. Потребитель для себя может выбрать оптимальный вариант, отвечающий желаемым требованиям;
 - Радиаторы отопления. Можно сделать свой выбор как в пользу чугунного, так и стального;
 - Расширительный бачок из стали;
 - Трубы.
 
Как же работает система отопления открытого типа?
Первым делом идет подогрев воды в котле. Затем горячая вода под напором поступает в трубы и достигает зоны низкого давления. После того, как горячая вода совершит полный водоворот и отдаст тепло, она возвращается в начальную точку – котел. В связи с тем, что под действием высоких температур вода расширяется, необходим в системе расширительный бак. Он выполняет роль компенсатора лишнего объема воды. Бак является предметом, который запаян не герметично. Для облегчения запуска системы отопления необходимо установить врезной кран. С его помощью из системы удаляется воздух. Принцип работы открытой системы отопления делят на два этапа:
- «Подача». Вода нагревается, поступает по трубам в радиаторы и обогревает помещение;
 - «Обработка». Остывшая вода из радиаторов по трубам возвращается в котел.
 
Особенности обустройства открытой системы отопления:
- Обязательно располагайте расширительный бак выше уровня остальных приборов системы отопления;
 
Три совета по выбору схемы разводки
- Когда речь идет об отоплении частного дома с подвалом, то не стоит экономить на количестве секций радиаторов, а обе трубы разместить в подвальном помещении. Дома будет тепло, и стены останутся сухими.
 - При высоте потолков выше 3,5 метров эффективно использование только верхней разводки.
 - Если в доме предполагается евроремонт, и вид радиаторов совсем не кстати – можно пойти на хитрость и сделать двухтрубную безбатарейную разводку отопления (система теплый пол).
 
Обо всем и не только…
Двухтрубная система отопления частного дома с принудительной циркуляцией проста для проектировки и легка в монтаже. Можно не соблюдать уклоны, переходы диаметров труб магистрали. Даже отсутствие расширительного бака не является проблемой – насос продавит систему, построенную даже “в гору”.
Исключением являются лишь места изгибов труб и резьбовые соединения типа фиттингов, потому что в них может образоваться воздушная пробка (завоздушивание). Единственный, но очень ощутимый минус двухтрубной системы с принудительной циркуляцией – энергозависимость насоса.
При нестабильном энергоснабжении существует риск остановки насоса и, как следствие, всей системы. В зимний период это опасно и может привести размораживанию системы отопления.
Естественное движение теплоносителя в системе делает ее абсолютно независимой от внешних факторов. Соответственно повышается экономичность (отсутствие потребления электричества) и безопасность. Но принцип естественной циркуляции воды требует особых условий в проектировке и реализации системы.

Схема с естественной циркуляцией теплоносителя.
Верхняя разводка применяется для помещений с высотой потолка выше 3,5 метров. Преимущественно, верхняя труба (подача) проходит под потолком, а обратка в подвальном помещении. В новых проектах каркасных загородных домов подвальное помещение отсутствует в принципе, поэтому обратка прокладывается либо под черновым полом, либо на высоте 3-5 см от уровня чистового пола или напольного покрытия. Как частный случай такой схемы – вариант с двумя уровнями батарей: внизу и симметрично вверху. Такая модель актуальна для построек с высокими потолками и окнами – большими и расположенными через небольшой промежуток.
Разберем последнюю переменную – количество колец (или веток). Разделение на несколько независимых частей более характерно для самотечной системы. В виду достаточно быстрого движения воды при принудительной циркуляции все батареи имеют практически одинаковую температуру, чего не скажешь о самотеке. Именно для этого применяют разделение – чтобы уменьшить длину подачи, то есть ускорить доставку нагретой котлом воды до всех батарей.
Также принято использовать краны и заглушки.

Краны (обычно шаровые) устанавливаются на все трубы подпитки батарей и слива с них. Таким образом, регулируя проходимость трубы подачи, достигается баланс температур на разных батареях в независимости от последовательности их установки.
На сливах краны нужны для того, чтобы не сбить циркуляцию с толку (когда обратка догоняет подачу и происходит остановка движения или реверс теплоносителя). Не смотря на кажущуюся сложность системы естественной циркуляции, она стоит того, чтобы ее проектировать и монтировать, ее надежность и долговечность проверена временем.
Принципы составления схем разводки
Единых стандартов планировки при составлении схем разводки коллекторной системы не существует. Оборудование подбирается под конкретные задачи.
А одним из обязательных условий реализации схемы является необходимость подключения всех батарей к одному стояку.
Вам также может быть полезна информация о том, как подключить радиатор отопления.

 Чтобы воплотить в квартире схему коллекторной разводки, придется оставить лишь один канал тепла, предварительно заварив остальные – он возьмет на себя всю нагрузку
Если же заварить все остальные каналы подачи воды с тем, чтобы один стояк взял на себя всю нагрузку, образуется замкнутая гидравлическая цепь в пределах одной квартиры. Все расположенные выше по стояку отопительные приборы буду отрезаны от системы и не получат желаемого тепла.
Жильцы, живущие сверху, рано или поздно выявят причину такого явления, и схему придется повторно переделывать в принудительном порядке, выложив при этом немаленькую сумму.
Коллекторную разводку отопления допускается устанавливать в многоквартирных домах новой постройки при условии, что еще на этапе строительства в них установили дополнительные вентили для подключения контуров различной конфигурации.

 При обустройстве коллекторной системы следует учитывать ряд ключевых моментов, которые свойственны и для других типов систем
Коллекторная система как нельзя лучше подходит для частных домов.
Главное – при проектировании разводки придерживаться основных рекомендаций профессионалов:
- Наличие воздухоотводчика. Автоматизированный клапан размещают непосредственно на коллекторах подачи и обратки.
 - Наличие расширительного бака. Показатель его объема должен составлять как минимум 3% относительно суммарного объема теплоносителя. Но допускается использовать и устройства и с большим объемом.
 - Место размещения расширительного бака. Его устанавливают на «обратке», размещая перед циркуляционным насосом по ходу воды. Подробнее о его установке рассказано в другой нашей статье.
 - Установка циркуляционных насосов на каждом контуре. Место их расположения непринципиально, но максимальную эффективность из-за низкой рабочей температуры они проявляют на «обратке».
 
При необходимости задействования гребенки, оснащенной гидравлическим компенсатором, расширительный бак устанавливают перед основным насосом, призванным обеспечивать передвижение воды в малом контуре.

 Благодаря размещению расширительного бака перед насосом можно существенно снизить риск повреждения устройства под действием турбулентности воды
Циркуляционный насос фиксируют таким образом, чтобы вал находился строго горизонтально. В противном случае первая же воздушная пробка оставит агрегат без смазки и охлаждения.
Если в системе отопления присутствуют дополнительные распределительные узлы – они не должны быть сообщающимися.
Преимущества и недостатки закрытой системы отопления
На сегодняшний день закрытые системы отопления стали очень популярными. Это связано с тем, что такие отопительные конструкции имеют преимущества, перед открытыми аналогами:
- такая система может функционировать довольно продолжительный период без участия человека, что говорит о её автономности;
 - возможность использования разных теплоносителей, которые испаряются в открытых конструкциях;
 - поддержание постоянных показателей давления необходимых для нормального обогрева частного дома;
 - монтаж такой конструкции при желании можно провести собственноручно;
 - снижение общих финансовых затрат на организацию такой системы;
 - высокий коэффициент теплоотдачи;
 - исключается необходимость в организации теплоизоляции для магистрали, отпадает необходимость в выставлении чётких углов её наклона;
 - не нужно постоянно добавлять теплоноситель в систему, так как исключается его испарение;
 - равномерный обогрев отопительных приборов, влияющих на отопление помещений;
 - уменьшение коррозийных воздействий на отопительное оборудование;
 - быстрый подогрев теплоносителя.
 
Использование антифриза в качестве теплоносителя для закрытой отопительной конструкции — отличное решение. Это связано с тем, что в зимний период появляется возможность пользоваться отопительной системой периодически, не опасаясь замерзания теплоносителя.
 
Естественную циркуляцию теплоносителя в закрытой системе организовать сложно, поэтому необходимо устанавливать насос
Закрытые системы имеют и некоторые недостатки:
- монтаж закрытой отопительной конструкции предполагает покупку довольно большого расширительного бака (он стоит достаточно дорого);
 - ещё одним недостатком считается постоянная потребность в электроэнергии (для работы циркуляционного насоса).
 
Требования к монтажу
Независимо от того, будь это открытая или закрытая система отопления, необходимо прежде всего изучить требования к монтажу системы. Из-за большого количества особенностей и недостатков открытой отопительной системы нужно учесть следующие требования:
- Источник тепла (котел) необходимо устанавливать в самой нижней точке системы, а расширительный бак – в самой верхней. Такое наличие разницы в высоте позволяет создать наилучшее давление.
 - Должно быть минимум поворотов и креплений трубопровода: во-первых, это объясняется ограниченностью в метраже, а во-вторых, способствует лучшему давлению в системе.
 - Стояк должен быть максимально высоким – это позволяет создать разницу в давлениях.
 - Диаметр труб на выходе должен быть самым большим – порядка 40-50 мм, а в конце подачи – меньше 25-30 мм. Это создает разницу в давлении.
 - Монтировать горизонтальные трубы нужно строго под наклоном.
 
Что касается площади обогрева помещения, то подобная система способна обогреть дом площадью до 150 м². Помещения большей площади отапливать с помощью открытого типа отопления невыгодно, да и не целесообразно. Для этого лучше подойдет закрытая система отопления.

Открытую систему целесообразно монтировать на дома до 150 кв.м. Нажмите на фото для увеличения.
В чем же плюсы и минусы открытой системы отопления?
Плюсы, которые предоставляет открытая схема отопления:
Однако есть и недостатки в открытой системе отопления. Не все оценивают ее по достоинству. Есть потребители, которые не довольны размерами котла и полной системы. Открытая система отопления с насосом не всегда может быть установлена в небольшом помещении, чтобы она не загромождала свободное пространство. При открытом расширительном баке высока вероятность ржавчины на радиаторах и трубах.
Запомните, чтобы испаряющаяся жидкость в баке не портила окружающее оборудование, налейте на поверхность воды масло. Его слой не менее 2 см. Есть мнение, что открытая система отопления не очень эффективна для обогрева жилого помещения, поскольку ее КПД невысок.
Особенности открытой системы
Достоинством открытой системы является ее экономичность. Из-за большой протяженности трубопроводов качество воды ухудшается: она становится мутной, приобретает цветность, имеет неприятный запах. Попытки очистить ее делают способ применения дорогим.
Трубы теплосети можно увидеть в больших городах. Они имеют большой диаметр и укутаны в теплоизолятор. От них делаются отводы к отдельным домам через тепловую подстанцию. Горячая вода поступает для использования и к радиаторам отопления из общего источника. Ее температура колеблется в пределах 50-75°С.
Подключение теплоснабжения к сети производится зависимым и независимым способами, реализующими закрытую и открытую системы теплоснабжения. Первый заключается в подаче воды напрямую — с помощью насосов и элеваторных узлов, где она доводится до требуемой температуры путем смешивания с холодной водой. Независимый способ заключается в подаче горячей воды через теплообменник. Он более затратный, но качество воды у потребителя выше.
Двухтрубная система отопления
Принцип работы двухтрубной системы отопления несколько отличается от той, что была описана выше. В данном случае теплоноситель поднимается по стояку и подводится к каждой батарее отопления. А потом по обратке возвращается назад в трубопровод, который транспортирует его в отопительный котел.
При такой схеме радиатор обслуживается двумя трубами — подачей и обраткой, поэтому система называется двухтрубной.
Какие преимущества обеспечивает такая разводка?
Двухтрубная магистраль
На что можно рассчитывать, выбрав данный вариант организации отопления частного и жилого многоквартирного дома?
- Подобная система позволяет организовать равномерный обогрев каждого радиатора. В любую батарею, на каком бы этаже она ни находилась, горячая вода поступает с одинаковой температурой. При желании на радиатор можно установить термостат, и тогда погода в доме поддается самостоятельной регулировке. На теплоотдачу радиаторов, установленных в других квартирах, использование термостата в отдельно взятом помещении никак не влияет.
 - В двухтрубной обвязке при циркуляции теплоносителя нет больших потерь давления. Поэтому для нормального функционирования системы мощный гидравлический насос не нужен. Вода способна циркулировать благодаря гравитационной силе, то есть самотеком. А если напор воды слабый, достаточно установить маломощную насосную установку, более экономичную и простую в обслуживании.
 - При помощи запорной аппаратуры, байпасов и вентилей легко организовать такие схемы, которые позволят ремонтировать при необходимости один отопительный прибор, не отключая все отопление дома.
 - Еще один дополнительный бонус двухтрубной обвязки — возможность использования попутного и тупикового движения горячей воды.
 
Что такое попутная схема? Это когда вода и в подаче, и в обратке течет в одном направлении. В тупиковой схеме вода в подаче и обратке циркулирует в противоположных направлениях. При попутном движении при условии использования радиаторов одинаковой мощности устанавливается идеальная гидравлическая балансировка. Поэтому нет необходимости дополнительно использовать батарейные клапаны предварительной настройки.
Если отопительные приборы имеют разную мощность, придется высчитывать теплопотери каждого, проводить расчет и увязывать радиаторы при помощи термостатических клапанов. Сделать это самостоятельно без знаний и умений очень сложно.
Обратите внимание! Попутный гидравлический самотек используется там, где монтируются трубопроводные магистрали большой протяженности. Для коротких систем применяется тупиковая схема движения теплоносителя
Классификация двухтрубной системы отопления
Виды систем
Классификация двухтрубной обвязки производится по расположению трубопровода и по способу обустройства разводной системы.
По расположению трубопровода она делится на вертикальную и горизонтальную. При вертикальной схеме все батареи подключаются к вертикальному стояку. Применяется чаще всего такой вариант в многоквартирных домах. Главное преимущество данного подключения — отсутствие воздушных пробок.
Для частного дома большой площади специалисты рекомендуют выбирать горизонтальную двухтрубную разводку и устанавливать сразу в каждый радиатор кран Маевского. Он нужен для стравливания воздуха, а пример его правильного монтажа был уже не раз детально описан в предыдущих статьях.
По способу разводки двухтрубная система может быть с нижней и верхней обвязкой. В этом случае стояк подачи горячей воды помещается в цокольном этаже или подвале. Обратная магистраль располагается здесь же, но устанавливается ниже подачи. Все радиаторы находятся наверху. К общему контуру подключается верхняя воздушная линия, позволяющая выводить из системы лишний воздух.
При монтаже верхней обвязки вся разводящая магистраль монтируется на утепленном чердаке здания. Там же устанавливается и расширительный бак. Использовать такую схему нельзя при наличии плоской крыши.
Недостатки двухтрубной системы
Двухконтурная система
Сравнивая две схемы обвязки батарей, легко сделать вывод, какая лучше. Двухтрубная в любом случае намного эффективнее. Но у нее есть один существенный недостаток. На ее сборку понадобится вдвое больше труб. Кроме того, к ним в комплекте идет большое количество крепежных элементов, вентилей и фасонных деталей, поэтому монтаж двухтрубной системы обходится гораздо дороже.
До недавнего времени, когда для сборки двухтрубной обвязки использовались стальные трубы и трудоемкие процессы их сварки, сумма выходила запредельной. С появлением металлопластика и технологии горячей пайки прокладка двухтрубной магистрали стала доступной практически всем.
Открытая и закрытая система теплоснабжения, разница в работе и конструкции.
Основываясь на вышесказанное, закрытая и открытая системы отличаются:
- Стоимость открытого теплоснабжения ниже, особенности при самотёчной циркуляции, в отсутствие насоса и запорной арматуры. Но при этом её монтаж в частном доме затронет весь объём помещений, от подвала до чердака. К тому же необходимо соблюдение уклонов магистрали и диаметров труб.
 - Монтаж закрытой схемы, помимо прокладки трубопровода, предполагает установку большого количества дополнительных элементов.
 - КПД закрытой схемы будет выше в любом случае.
 - В закрытой схеме возможно применение не замерзающего теплоносителя — антифриза (оптимальный вариант для частных домов, не отапливаемых зимой)
 - В открытой системе необходим постоянный контроль уровня теплоносителя, из за его испарения в окружающую среду.
 - Закрытый тип энергозависим, за счёт постоянной работы циркуляционного насоса (проблема решается установкой автономного электрогенератора, но в то же время стоит учитывать затраты при его отсутствии)
 - Установка открытого вида теплоснабжения ограничена общей площадью помещений, в отличие от закрытого.
 - Срок службы закрытой системы более продолжителен за счёт почти полного отсутствия воздействия коррозии.
 




































