Как органично вписать газовую колонку в декор – 3 варианта
Разрабатывая дизайн кухни с газовой колонкой в хрущевке, необходимо рассмотреть все допустимые возможности планировки. Мы предлагаем вам три варианта, которые помогут органично вписать газовое оборудование в интерьер кухни.

Существует три варианта для маскировки газового оборудования в маленьком помещении
Оставить как есть
Благодаря тому, что современные модели отличаются весьма стильным дизайном, при желании их можно не прятать вглубь гарнитура. В этом случае вы можете воспользоваться одним из двух предложенных вариантов.

Внешний вид современных приборов позволяет не прятать их за фасадами гарнитура
Купить нужную модель. Благодаря широкому ассортименту оборудования вы сможете подобрать колонку, чей внешний вид идеально подойдет под имеющийся гарнитур и интерьер. Отдавайте предпочтение миниатюрным вариантами – их куда проще разместить даже на маленькой кухне. Декорирование колонки вполне можно осуществить своими руками – использование трафарета существенно облегчит вам задачу.

Некоторые модели колонок мало чем отличимы от шкафов-пеналов, что позволяет не скрывать их
Покрасить прибор. Если вы не смогли найти модель, подходящую вам по дизайну, или ее цена показалась вам чрезмерной, можно просто выкрасить имеющийся у вас прибор. Чаще всего агрегат тонируют под цвет кухонной мебели, фартука или отделки стен. Учтите, что при работе газовая колонка будет нагреваться, так что для ее окрашивания необходимо подобрать термостойкую краску.

Покраска агрегата под цвет стен – один из самых бюджетных вариантов маскировки оборудования
Разместить между шкафами
Это один из самых эффективных приемов, который поможет вам гармонично вписать колонку в общий интерьер. Колонка может располагаться как между двумя шкафами, так и являться завершающим элементом верхнего ряда гарнитура. Существует два основных момента, которые следует продумать, перед тем как приступать к установке колонки.

Чтобы иметь постоянный доступ к прибору, его можно разместить между двумя верхними шкафами
Выбрать основной элемент. Необходимо определиться, какой элемент будет ведущим – колонка или подвесные шкафы из гарнитура. Если вы в первую очередь приобрели кухонный гарнитур, то размер газовой колонки необходимо подбирать под уже имеющиеся в наличии шкафы, или наоборот. Лучше всего будет заблаговременно составить дизайн кухни хрущевки с газовой колонкой, в котором будут учтены все нюансы.

Если гарнитур вы приобрели раньше колонки, то ее размеры следует выбирать из габаритов основной мебели
Позаботиться о пожарной безопасности. С каждой из сторон газовой колонки должно оставаться не менее трех сантиметров свободного пространства. Это необходимо для осуществления естественной вентиляции. Несоблюдение этого момента является прямым нарушением правил пожарной безопасности.

По бокам от газового агрегата должно оставаться свободное пространство минимум в 3 см
Подобрать материалы. Все близлежащие плоскости должны быть изготовлены из негорючих материалов. Так как колонка нагревается во время работы, это может привести к перегреву, обугливанию, и возгоранию предметов, находящихся в тесной близости. Совсем необязательно изготавливать несгораемые шкафы – вполне достаточно просто защитить поверхность, которая контактирует с колонкой листом из негорючего материала.

Материалы, находящиеся рядом с прибором должны быть огнеустойчивыми
Замаскировать коробом
Этот вариант позволяет полностью спрятать газовую колонку в один из навесных шкафов. Чаще всего его используют, когда составить органичный интерьер кухни в хрущевке с газовой колонкой не представляется возможным, и единственным вариантом является спрятать ее от посторонних глаз.

Маскируя колонку за фасадом шкафчика, необходимо придерживаться правил пожарной безопасности
В процессе реализации подобного варианта необходимо учесть несколько правил.
- Организовать негерметичное пространство. По бокам колонки должно оставаться свободное пространство необходимое для естественной вентиляции прибора.
- Удалить лишние стенки. У навесного шкафа не должно быть верхнего и нижнего горизонтов, а также задней стенки. По большому счету, он может состоять из одной лишь дверцы, которая будет скрывать его от посторонних глаз. В крайнем случае, допустимо присутствие нижнего горизонта, в котором должны быть несколько рядов вентиляционных отверстий.

Для лучшей вентиляции прибора стоит удалить верхнюю и нижнюю часть шкафа
Вот такая мини-инструкция позволит вам органично вписать агрегат в интерьер, и ваша маленькая кухня в хрущевке с газовой колонкой будет выглядеть органично.
Как скрыть газовою колонку на кухне
Есть несколько различных способов маскировки конструкции на кухне. Следует соблюдать определенные требования, а также использовать безопасные материалы для выполнения поставленной задачи.
Можно ли закрывать газовую колонку шкафом
Это можно сделать. При этом нужно соблюдать определенные требования, чтобы обезопасить себя и своих близких. Шкаф должен быть изготовлен из материалов, устойчивых к горению
Также важно соблюдать расстояние между стенками всех приборов. Сплошной шкаф разрешается использовать, когда в водонагревателе есть собственная камера сгорания. В поиске решений о том, как эффектно замаскировать газовую колонку, нужно подстраиваться под ограничения и требования, указанные выше
В поиске решений о том, как эффектно замаскировать газовую колонку, нужно подстраиваться под ограничения и требования, указанные выше.
Покраска в цвет стен и кухонного гарнитура
Один из самых простых и доступных методов. Достаточно подобрать мебель в тон, приобрести подходящую краску и выполнить все работы. Это не занимает много времени, а результат вас порадует. Для окраски изделия необходимо приобрести специальную краску, которая отличается устойчивостью к внешним факторам.
Недорогой в реализации, стильный и самый простой способ интеграции колонки в интерьер – подобрать подходящую модель или покрасить уже имеющийся агрегат в тон стен, мебели, отдельных элементов интерьера.
Установка колонки между шкафчиками
Один из эффективных способов. Достаточно прост в реализации. Подходит в тогда, когда не получается встроить оборудование в мебельный гарнитур. Допускается открытый или закрытый вариант конструкции. Дополнительно можно проделать отверстия для обеспечения лучшей вентиляции.
Нужно постараться не злоупотреблять слишком яркими красками, учитывать тематику и общее цветовое решение кухни.
Перенос колонки в коридор
Если кухня небольшая, можно задуматься об установке в коридоре. При этом следует соблюдать ряд требований. Помещение должно соответствовать установленным размерам. Также нужно обратиться в газовую службу для согласования выполнения процедуры. Иногда можно переносить водонагреватель в ванную. При этом также нужно получить соответствующее разрешение.
Перенос колонки в коридор – оптимальное решение для владельцев хрущевок, помещений скромных размеров.
Декорирование агрегата
Один из простых и наименее затратных способов. С помощью различных декоративных элементов можно легко преобразить внешний вид водонагревателя и колонки. В качестве декора можно использовать наклейки, фото, живопись, роспись, разные орнаменты. Также можно сразу приобрести украшенную модель, чтобы не тратить лишнее время на самостоятельное декорирование.
Процедура не потребует разрешений от контролирующих органов и не составит труда в реализации для творческих людей.
Что нужно учесть при ремонте
Обладатели малогабаритной квартиры в постройках хрущевках не могут похвастаться просторной кухней. Вместо этого они вынуждены на скудных квадратных метрах этого помещения разместить все необходимые здесь технику и предметы мебели.
Добавим, что кухни в таком жилье оборудованы газовой колонкой, что еще больше усложняет их дизайн, ведь такой агрегат сводит полезное пространство к минимуму, делая дизайн кухни малопривлекательным. Однако, и он может стать функциональной частью декора, если ремонт выполнен правильно.
Опытные дизайнеры настаивают, что:
- ремонт кухонного помещения нужно начинать с выполнения замеров пространства, создания эскиза, на котором будет изображена будущая планировка комнаты, просчета актуального количества строительных и отделочных материалов;
- если будущий интерьер требует перепланировки, в том числе переноса агрегата для нагрева воды или труб от него, бюджет на ремонт придется увеличить. К тому же изменения интерьера придется узаконить в специальных органах власти;
- при переносе колонки, работающей на газу, не пренебрегайте консультацией специалиста в сфере пожарной безопасности. Ремонт кухни хрущевки следует выполнять с учетом его рекомендаций. Если он подразумевает перенесение агрегата или коммуникационных элементов, потребуется разрешение коммунальных служб;
- несмотря на то, что в таких домах стены довольно тонкие, утеплять кухню стоит исключительно снаружи. Внутреннее утепление съест ценную площадь.





Газовая колонка в кухне хрущевки: дизайн с холодильником и кухонным гарнитуром
В кухню малой площади лучше всего подойдут гарнитуры светлых оттенков, возможно их контрастное сочетание. Стиль интерьера кухни может быть абсолютно любой.
- Хай-тек с ультрамодными глянцевыми поверхностями, множеством осветительных приборов, визуально увеличивающими площадь помещения.
- Эко-стиль с использованием натуральных материалов и орнаментов, теплой цветовой гаммы. С его помощью создается особая уютная атмосфера, будто наполненная солнечным светом.
- Холодный скандинавский с ярко белой мебелью и контрастными кухонными аксессуарами.
Главная задача – использовать каждый сантиметр малогабаритной комнаты с пользой. Отличным решением будет угловой гарнитур или столешницы, легко убирающиеся при необходимости. В некоторых случаях, в качестве стола для приготовления может служить поверхность подоконника. Даже нишу под ним, которая имеется во многих кухнях хрущевок, можно использовать для хранения посуды, встроив туда шкафчик
Не стоит недооценивать важность подсветки и правильного расположения светильников различных типов
При подборе кухонного гарнитура следует учитывать габариты газовой колонки
Самый безопасный и бюджетный способ – оставить колонку на виду. Современные модели водонагревателей имеют привлекательный дизайн и вполне могут вписаться в интерьер кухни
Холодильник чаще всего размещают сбоку от кухонных шкафов, так как необходимо свободное пространство для открытия дверки. Он, как и газовая плита, могут быть компактных размеров для большей экономии пространства.
Важно! Холодильник нельзя размещать задней поверхностью вплотную к стене – следует оставить пространство для циркуляции воздуха и корректной работы компрессора. До нагревательных приборов в том числе газовой колонки и плиты, должно быть не менее 150 мм
Между холодильником и газовой плитой можно поставить узкий модуль с удобной выдвижной панелью
Способы, позволяющие спрятать бытовое оборудование
У того, у кого есть газовая колонка на кухне, рано или поздно рождается желание ее чем-нибудь закрыть или как-то замаскировать. Самое простое, что приходит на ум, спрятать оборудование в шкаф. Это не всегда законный способ решения проблемы. Чтобы потом не платить огромные штрафы, нужно предварительно разработать проект маскировки, заверить его в газовой службе.

Нормы установки газовой колонки Источник freeshem.enjob.ru
Для получения официального разрешения, необходимо знать, как спрятать колонку на кухне правильно и безопасно. Есть несколько правил, соблюдение которых необходимо обязательно отобразить в плане-проекте.
Если у колонки открытая камера сгорания, нужно выбирать для маскировки мебель, у которой нет ни верха, ни низа.
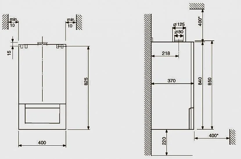
Важно правильно подобрать размер шкафа: его боковые стенки должны находиться на расстоянии не менее 15 см от стенок оборудования.
Желательно сделать решетчатым фасад шкафа. Для этого использовать материал, который не будет мешать прохождению воздуха.
Когда устанавливается газовая колонка в шкафу на кухне, ничто не должно препятствовать созданию правильной тяги.. Фальш-шкаф для установки газового оборудования Источник dizainkyhni.com По сути, это должен быть фальш-шкаф, а не полноценный предмет гарнитура
Опытные дизайнеры, рассказывая о том, как спрятать газовую колонку на кухне, советуют её маскировать в фальш-вытяжку. На фото видно, как два предмета выполнены в едином стиле, поэтому смотрятся великолепно

Фальш-шкаф для установки газового оборудования Источник dizainkyhni.com По сути, это должен быть фальш-шкаф, а не полноценный предмет гарнитура. Опытные дизайнеры, рассказывая о том, как спрятать газовую колонку на кухне, советуют её маскировать в фальш-вытяжку. На фото видно, как два предмета выполнены в едином стиле, поэтому смотрятся великолепно.

Колонка и вытяжка выполнены в едином стиле Источник warmepumpen.ru
Обратите внимание, что колонка находится не над варочной поверхностью, а сбоку от нее. Такое расположение соответствует правилам оснащения кухни газовыми приборами
С чего начинается ремонт
Газовая колонка, конечно, во многом усложняет ремонтные работы. Дизайн кухни с газовой колонкой рекомендуется начинать с точного планирования интерьера помещения и создания эскиза. Просчитывать нужно не только габариты техники и кухонного гарнитура, но и размеры отделочных материалов. Изменение положения газовой колонки влечет за собой существенные дополнительные затраты. Перенос можно производить только под руководством специалистов и после получения соответствующего разрешения.
Выделяют несколько вариантов расположения газовой колонки в квартире.
- В ванной комнате, если ее площадь превышает 7 квадратных метров и в помещении имеется вентиляционное отверстие.
- В коридоре при соблюдении тех же условий, что и в примере с ванной.
- Перенос колонки внутри кухни.

Дизайн газовой колонки нужно обдумывать заранее

Газовая колонка во многом усложняет ремонтные работы

Перенос газовой колонки нужно проводить под присмотром специалиста
Как спрятать трубы
Кроме колонки проблемы часто возникают еще и с трубами и дымоходом. Для того, чтобы ремонт был целостным их зачастую тоже приходится маскировать. В магазинах можно подобрать комплект, помогающий спрятать трубы. В его состав входят коробы и панели. Собирается все легко и быстро. На фото можно увидеть результат использования такого приобретения.
Подобный комплект можно также создать своими руками. Отличным материалом станет фанера или гипсокартон.

Спрятать колонку можно с помощью фанеры или гипсокартона
Создание рабочей зоны
Рабочая область – это основная часть кухни. Она должна быть максимально удобной и функциональной. Главное не забывать – малогабаритная кухня с газовой колонкой вполне может быть стильной и современной. Конечно, придется тщательно продумать каждый шаг, чтобы рационально использовать пространство.
Чаще всего проблема нехватки места для всего необходимого решается с помощью многоуровневых и выдвижных столешниц кухонного гарнитура. Хорошим будет решение сделать подоконник продолжением рабочей зоны.
Много места занимает классическая газовая плита. Ее стоит заменить на варочную поверхность. А функции духовки хорошо будет выполнять компактная микроволновка с функцией аэрогриля. Сэкономить пространство можно, выбрав компактную мойку. Как показывает практика, большая раковина часто не используется в полной мере.

Рабочая зона должна быть максимально удобной и функциональной

Кухня с газовой колонкой может быть стильной и функциональной

Продумывайте каждый шаг, чтобы рационально использовать пространство
Подбор предметов мебели и бытовой техники
Маленькая кухня в хрущевке разумеется не сможет вместить много мебели и техники. Поэтому приходится выбирать самое нужное, что порой оказывается весьма непросто. Специалисты в области дизайна делятся несколькими хитростями, которые отлично помогают сэкономить пространство.
Лучше подбирать угловой гарнитур. Угол кухни в хрущевке будет максимально задействован, а угловые шкафы считаются более вместительными, чем классические. Отличным выбором станут шкафчики с дверками-купе. Это поможет и зрительно увеличить кухню в хрущевке.
Высота стен должна использоваться в полной мере. Например, можно заказать двухъярусные подвесные модули или пенал для хранения кухонных принадлежностей от пола до потолка.
Лучше установить откидной обеденный стол и легкие складные стулья.
Бытовую технику рекомендуется встраивать в мебель гарнитура. Так она не испортит дизайн своим видом и не займет много места.
Использование белого цвета позволит визуально увеличить помещение
При этом светлая газовая колонка не будет выделяться на общем фоне.
Особое внимание стоит уделить освещению. Можно подсветить рабочую область на кухонном гарнитуре.
Потолок лучше сделать натяжным из глянцевого материала
Отражающие поверхности всегда увеличивают пространство.
В хрущевках холодильник лучше размещать за пределами кухни.

Выбирайте удобную и функциональную мебель

Используйте все возможное пространство, от пола до потолка
Творческий подход к оформлению маленькой кухни и рациональность помогут создать стильное и функциональное помещение, в котором будет комфортно находиться всем членам семьи. Главное разумно использовать имеющееся пространство, не перегружать кухню в хрущевке бесполезными предметами и декором.
Другой подход к обустройству интерьера маленькой кухни
Чтобы обыграть недостаточность пространства, можно использовать некоторые приемы:
Для визуального расширения пространства следует подбирать мебель и обои светлых тонов, а напольное покрытие темнее остального цветового решения на один тон, а потолочное покрытие наоборот, светлее на тон.
Не следует делать акценты на ярких крупных цветных деталях – это может уменьшить, а не расширить пространство. Если необходимо разнообразие, то используйте мелкие цветные декоративные детали.
Оборудование и техника также должны быть светлых тонов, причем предпочтение следует отдавать встроенным вариантам. Причем можно со шпонами дорогих видов деревьев
При подборе кухни, стоит внимательно обращать внимание на то, какую плитку на кухню на стену стоит использовать. Не следует забывать о правилах освещения: каждая зона должна подсвечиваться отдельно не только для удобства, но визуального зонирования, что также зрительно увеличит маленькую площадь
Хорошо себя зарекомендовали точечные светильники: они равномерно осветят каждый темный уголок маленького пространства
Не следует забывать о правилах освещения: каждая зона должна подсвечиваться отдельно не только для удобства, но визуального зонирования, что также зрительно увеличит маленькую площадь. Хорошо себя зарекомендовали точечные светильники: они равномерно осветят каждый темный уголок маленького пространства.
А вот как выглядят кухни в стиле лофт, можно посмотреть на фото.
Холодильник в интерьере небольшой кухни
Холодильник — это незаменимое техническое оборудование, которое является непременным атрибутом в каждом доме. В малогабаритной кухне его установка является проблемной, поэтому холодильник часто устанавливают в коридоре. Если же вы планируете найти ему место в дизайн-проекте интерьера кухни в хрущевке, надо позаботиться, о том, чтобы в процессе эксплуатации холодильника у членов семьи не возникало неудобств и дискомфорта.
Газовую колонку можно спрятать в шкафу кухонного гарнитура
Следует учесть некоторые нюансы:
- Холодильник лучше располагать возле рабочей зоны. Это позволит не перемещаться лишний раз по маленькой кухне.
- Этот предмет техники надо расположить таким образом, чтобы дверца открывалась свободно и при этом не упиралась в кухонную стенку, закрывая при этом к ней доступ.
- Холодильник в открытом виде должен смотреть не на стену, а на стол.
- Отлично подходит для установки на маленькой кухне холодильник горизонтального типа, крышка которого может использоваться в качестве удобной дополнительной рабочей поверхности.
Совет! Холодильник лучше разместить сбоку от кухонного гарнитура. Если его установить в центре, для придания гармоничного соответствия общей концепции дизайна придется задействовать навесные потолки и высокие шкафы, зрительно уменьшающие помещение.
Меры безопасности при размещении газовой колонки
В погоне за красотой ни в коем случае нельзя пренебрегать следующими мерами безопасности:
- Колонка должна быть снабжена вытяжкой и воздуховодом, диаметр которого рассчитывается исходя из мощности оборудования.
- Над газовой установкой сооружается воздуховод не менее 30 см. Количество прямых углов на всем его дальнейшем протяжении не должно быть более двух, в противном случае ухудшается отток горячего воздуха и продуктов горения газа.
- Отделка мебели не должна быть легковоспламеняющейся, а вблизи колонки следует исключить нахождение электрических проводов, штор и жалюзи.
- Расстояние до стен комнаты от 15 см., до поверхности пола не менее 80 см.
- Запрещено вешать колонку вблизи газовой плиты, так как она может накапливать жировые отложения, которые будут значительно ухудшать эффективность ее работы и даже привести к возгоранию.
- Должен быть обеспечен свободный доступ к оборудованию для быстрой оценки его корректной работы или возможного ремонта.
- В случае размещения вблизи окна, следует избегать возникновения сильных сквозняков, чтобы не допустить отключения оборудования из-за задувания пламя.
- Расстояние от нагревательного газового оборудования до холодильника должно быть максимально возможным для малой площади кухни, но не меньше чем 50 см. Это необходимо не только для безопасной работы бытовой техники, но и для продления срока ее службы. Находясь рядом с нагревательным прибором, компрессор холодильника работает в усиленном режиме и быстрее приходит входит из строя.

Стена, на которой размещается газовое оборудование, должна быть облицована огнестойкими материалами
Согласно требованиям газовых служб, любое газовое оборудование не должно находиться над мойкой, но для малогабаритных квартир, где кухня чуть более 5 кв.м. сделано исключение.
Основные правила безопасности установки
Требуется соблюдать множество правил и особенностей при монтаже газовой колонке и водонагревателя. В противном случае владельцев могут оштрафовать на крупные суммы.
Важно обустроить дымоход и систему вентиляции. От этого зависит эффективность перемещения воздушных потоков, а также своевременный вывод дыма из помещения
Категорически запрещено устанавливать агрегат над раковиной, холодильником, газовой плитой.
Вентиляционное отверстие должно быть таких размеров, чтобы воздух спокойно мог проходить в нужных количества, не забивая основных узлов системы. Если забыть о данном требовании, то со временем большое количество токсичных веществ может привести к аварийным ситуациям, а также отравлению всех жильцов в доме. Повышаются риски взрыв газообразных отходов. В особенности это касается ночного времени суток, когда люди физически не могут установить утечку газа в доме.
Доступ к газовой колонке должен быть по максимуму свободным. Это позволит обеспечить качественное обслуживание и возможность осмотра прибора в случае необходимости.
Чтобы газовая колонка функционировала нормально, необходимо обустроить проход к дымоходу. Он может подводиться к общей магистральной линии или монтироваться самостоятельно. При установке следует учитывать, что количество изгибов для нормального тока воздуха не должно превышать установленной нормы. В противном случае возникают сложности с транспортировкой воздушных потоков на выход. Длина дымохода устанавливается законодательно. В противном случае потребуется проводить дымоходную трубу, чтобы обеспечить нормальный уровень циркуляции воздуха.
Нельзя монтировать устройство чересчур низко либо высоко.
Место установки трубы для газоотвода располагается таким образом, чтобы обеспечить оптимальный выход для колонки. Для обустройства следует использовать трубы, которые выполнены из веществ, устойчивых к процессам горения. Повышаются риски возгорания. Лучшим вариантом будут трубы, которые обладают невысокой степенью теплопроводности.
Труба, как правило, подключается в вертикальном положении. Длина этого участка составляет не менее пятидесяти сантиметров для нормальной работы установки. В некоторых случаях разрешается использовать гофрированный трубопровод. При этом не должно быть каких-либо провисаний или неровностей.
Желательно, чтобы котел находился на уровне глаз или как минимум в зоне видимости.
Если нет возможности установить дымоход, необходимо позаботиться о другом способе отвода газов. Например, можно установить мощную вытяжку, которая обладает достаточной тягой для совершения отвода газа наружу. Необходимо обустроить систему в соответствии с проектной документацией.
У многих владельцев домов и квартир возникает закономерный вопрос, можно ли закрывать газовую колонку шкафом. Это можно сделать
При этом важно соблюдать определенные правила размещения колонки, чтобы не было проблем с газовой службой
Лучше не отделывать стены возле колонки обоями и пластиковыми панелями. Поверхность, на которой предполагается осуществлять монтаж, должна быть покрыта негорючими материалами.
Водонагреватель запрещается подключать к несущей стене. Также нельзя устанавливать колонку, используя данный метод. Это можно объяснить тем, что в случае взрыва может разрушиться весь дом. Чтобы уточнить этот вопрос, следует обращаться к специалистам. Они проведут исследования местности, что поможет определиться с методом и местом установки конструкции.
Также необходимо соблюдать определенные правила размещения системы. Обработка места в области остановки должна выполняться из материалов, устойчивых к горению. Это поможет предотвратить вероятность возникновения пожара. Нельзя устанавливать конструкцию на деревянные поверхности. Для этого потребуется предварительная обработка.
В помещении, где работает колонка, нельзя переусердствовать с гидроизоляцией и утеплением окон.
Чтобы достичь высокой безопасности газовой колонки, не следует устанавливать ее над другими газовыми приборами. Рекомендуется выдержать дистанцию. Необходимо тщательно проверить герметичного каждого канала, провести трубы в соответствии с законодательными нормами.
Популярные варианты маскировки
Декорировать коммуникацию можно несколькими способами. Как именно спрятать газовую трубу на кухне, мастер решает самостоятельно в зависимости от имеющегося бюджета, общего интерьера кухни и своих предпочтений.
Гипсокартонный короб
Это относительно спорный способ, с помощью которого можно убрать от посторонних глаз газовую трубу. Основное требование к гипсокартонной конструкции – возможность снять одну из его сторон в любой момент. Кроме того, в собранном коробе из гипсокартона обязательно должна быть вентиляция в формате решетки или специальной перфорации. Это исключает скопление газа в одной зоне в случае его утечки. При соблюдении двух этих правил можно скрывать газовую трубу декоративной конструкцией.
Перед тем как спрятать газовый счетчик на кухне подобным же образом, необходимо учесть, что перечисленные правила распространяются и на эту зону магистрали.
Гипсокартонный короб для газовой трубы на кухне желательно делать из огнестойких листов. Работу выполнить не сложно:
- На стену наносится размётка.
- Монтируется каркас из алюминиевых профилей.
- По снятым меркам вырезаются куски гипсокартона и сажаются на саморезы.
Работы желательно проводить использованием строительного уровня, чтобы у короба не было перекоса.
Корпусная или навесная мебель
Иногда функцию декора отлично выполняют кухонные шкафы. Их можно смастерить своими руками, заказать мебель по заданным меркам или просто купить идеально подходящий кухонный гарнитур. В этом случае возможны два варианта:
- Устройство шкафов таким образом, чтобы газовая труба проходила внутри них.
- Навешивание шкафчиков на стену под трубопроводом. Благодаря изрядной глубине кухонной мебели магистраль вверху не будет видна.
Подобным образом можно спрятать от посторонних глаз и газовый счётчик без необходимости перенести его. При умелом подходе шкафчик станет настоящим арт-объектом в кухне.
Если возиться с навесной мебелью не хочется, можно предусмотреть декоративную полку в верхней части стены непосредственно под трубой. Прятать таким образом линию газопровода легко и к тому же интересно. На полку впоследствии можно установить горшки с хлорофитумом или аспарагусом. Зелень красиво свисает стеблями вниз и к тому же отлично очищает воздух в кухне.
Покраска
Замаскировать газовую трубу можно с помощью простой краски. Проявив художественную фантазию, можно добиться отличных результатов. Опытные мастера предлагают несколько вариантов декора с помощью покраски:
- Выкрасить магистраль в тон отделке стен в кухне. В этом случае труба сольется с основным цветом и не будет бросаться в глаза.
- Использовать контрастный оттенок. Но он обязательно должен перекликаться с каким-либо цветом в интерьере кухни. Тогда труба будет восприниматься гармонично.
- Если в кухне использован классический стиль или интерьер барокко, можно выкрасить газовую трубу под золото или серебро с эффектом состаривания.
- Для любителей эко-стиля отлично подойдёт вариант покраски газовой трубы под дерево, камень. Оригинально смотрится магистраль в виде березового ствола.
- Можно использовать вариант этно-окрашивания. Он будет уместен в том случае, если в кухне уже присутствуют похожие орнаменты.
Рейлинговая система
Этот способ подходит в том случае, если газовая труба тянется в зоне кухонного фартука. Чаще такое встречается в квартирах домов старой постройки. Рейлинговые системы-накладки — это своеобразная зона, в которой на крючках размещается кухонная утварь. Подобным образом можно обыграть интерьер в любом стиле.
Другие способы декорирования
Закрыть газовую трубу на кухне можно и другими способами. Один из них – искусственные растения. По трубопроводу можно пустить вьющиеся стебли пластмассовых цветов. Ими же можно интересно украсить вытяжку. Получится своеобразный зелёный уголок в рабочей зоне.
Формирование бамбукового ствола – ещё один интересный вариант декора. Для этого потребуется натуральный или искусственный материал под бамбук. Его диаметр должен превышать сечение газовой трубы на 8-10 см. Протяженность искусственного или натурального ствола должна быть равна длине магистрали, которую нужно скрыть, спрятать.
Техника декупажа также позволяет интересно заделать газовую трубу. В качестве маскирующего материала можно взять обычную бечёвку. Ею плотно обматыают трубу по всей протяженности. Для более интересного исполнения на бечёвку впоследствии можно закрепить искусственные цитрусы и листочки зелени.
Мебель и техника
Интерьер маленькой кухни хрущевки не сможет вместить большое число мебели и техники, но самое необходимое здесь разместить все же придется. Как это сделать максимально рационально? Используйте исключительно функциональные предметы, дабы оснастить пространство и интерьер всем необходимым. Опытные специалисты настаивают на том, что дизайн такого помещения нужно создавать с использованием некоторых хитростей:
- мебельный гарнитур лучше выбрать угловой, он позволяет задействовать максимально рационально пространство угла. Такой интерьер продемонстрирован на следующем фото. Хорошо, если гарнитур будет оснащен выдвижными ящиками, в которых удобно хранить кухонную утварь. Не менее удобен в использовании кухонный гарнитур с дверками купе;
- используйте всю высоту стены маленькой кухни, установив двухъярусные модули навесного типа. Они вместительны и функциональны. Также стоит подобрать пенал для хранения кухонной утвари на всю высоту стены;
- подоконник стоит задействовать в качестве стола, установив вместо него столешницу. Если в семье более двух людей, за подоконником столом все люди не поместятся. Ниже на фото представлен дизайн, выполненный с использованием подобного решения;
- обеденный стол стандартного плана можно заменить откидным вариантом, не занимающим много свободного пространства. Стулья к нему подбирайте складные, легкие;
- бытовую технику выбирайте компактного размера и встроенного типа. Тогда неприглядные агрегаты не будут занимать много места, портить дизайн, прячась за фасадами мебели.
На фото ниже продемонстрирован интерьер с удачным применением данных правил декора маленьких кухонных пространств хрущевки.
























Вердикт
Газовая колонка является пережитком прошлого. От него нельзя отказаться, потому дизайн кухни так или иначе будет создаваться с поправкой на ее наличие. Однако вариантов по скрытому монтажу или декорированию этого прибора хватает — просто начните продумывать ваш гарнитур именно с расположения колонки. И лишь затем переходите к остальной технике вроде телевизора.




































