Модели котлов Галан с ТЭНами

Котлы серии Турбо
Наряду с электродными моделями, компания Галан наладила выпуск котлов для отопления с установленными ТЭНами. Они предназначены для быстрого нагрева теплоносителя, поэтому к стандартному названию получили приставку «Турбо».
В отличие от стандартных электродных котлов, Галан использовал в этих моделях нержавеющую сталь AISI 316L. Это позволило значительно увеличить срок службы ТЭНа и снизить вероятность появления накипи. Трубчатые нагреватели имеют небольшие размеры, что сказалось на габаритах котлов. В моделях предусмотрено трехступенчатое управление мощностью.
В отличие от электродных котлов Галан, нагревательные элементы Очаг могут быть подключены к линии 220 и 380 В. Это является одним из факторов унификации отопления. В любое время можно установить дополнительный источник тепла, независимо от характеристик электросети.
Особенности системы отопления с котлом Галан серии Турбо заключаются в следующем:
- Снижение потребление электричества до 20% по сравнению с аналогичными моделями;
- Простая установка. Требуется лишь подсоединить патрубки в отопительной системе и обеспечить электропитание;
- Ремонтопригодность. Даже при выходе из строя ТЭНа его можно заменить самостоятельно. Нужно лишь снять верхнюю крышку и отсоединить подводящие провода.
Одним из недостатков подобных моделей является отсутствие в комплектации циркуляционного насоса и группы безопасности. Именно поэтому компания разработала новую серию электрокотлов Галан для отопления дома с дополнительными элементами.
Модели серии Галакс

Котел серии Галакс
Котлы серии Галакс предназначены для работы только от сети 380 В. В них входят комплекты электромеханической и электронной автоматики. Их функции заключаются в контроле потока теплоносителя, а также стабилизации при превышении давления в трубах.
Данные электрические котлы Галан для отопления частного дома предназначены для увеличения комфорта эксплуатации. Их особенности заключаются в следующем:
- Высокий КПД системы – до 98%. Достигается за счет установки экономичных элементов нагрева;
- Встроенная автоматика – терморегулятор «Истопник-103» и 203;
- Возможность голосового управления реализуется после установки блока «Галан GSM»;
- Дополнительная теплоизоляция корпуса и нагревательного блока.
Модели этой серии имеют широкий диапазон мощности – от 9 до 27 кВт. Электронные котлы Стелс Галан устанавливаются только для замкнутых систем с принудительной циркуляцией.
Продукция
Наиболее популярными образцами продукции, которая выпускается на промышленном предприятии, являются:
- котлы (электрический, электродный, ТЭНовый, водогрейный);
- электронные приборы для управления климатической системы;
- температурные цифровые регуляторы;
- отопительные системы;
- высококачественный теплоноситель (антифриз).
Типы устройств
Далее речь пойдет о теплообменниках, которыми снабжается отопительная система помещения. Наряду с остальной продукцией предприятия огромным спросом у российских и зарубежных покупателей пользуются котлы для отопления Галан, которые делятся на:
- Электродные.
- ТЭНовые.
Популярные модели
Модельный ряд продукции представлен такими образцами:
- «Стэлс».
Электродные проточные котлы Галан не требуют получения разрешения на установку в соответствующих государственных органах.
Принцип работы
Согласно правилам индукции температурные показатели жидкой среды повышаются. Ионы курсируют от положительных электродов к отрицательным, а те, в свою очередь, обмениваются полюсами, что приводит к колебанию ионов и, как следствие, выработке энергии.
Как становится понятно, роль нагревателя, с которым взаимодействуют котлы для обогрева Галан, выполняет жидкость.
Преимущества
Основным преимуществом таких агрегатов является их экономичность, которая превышает аналогичный показатель у ТЭНовых образцов на 40 %. Это стало возможным, потому что удалось сократить потери тепла при подогреве промежуточного материала.
Требования
Используемый теплоноситель должен обладать соответствующей удельной проводимостью (в данном случае 2950 – 3150 ОМхсм при температурных показателях в 20 °С). Рекомендуется проводить запуск котла на специальной незамерзающей жидкости Аргус-Галан. Если решено использовать дистиллированную воду, ее необходимо подсаливать из расчета 5 г соли на 100 л жидкости.
Чтобы электродные высококачественные котлы Галан смогли прослужить долго и эффективно, отопительная система должна быть замкнутой, двухтрубной (диаметр 32 – 40 мм) с верхним разливом, открытого типа, с подающим стояком высотой не менее 2 м и количеством теплоносителя из расчета 12 л на 1 кВт. Такая схема даст возможность агрегату полноценно выполнять свои функции.
Сфера применения
Электродные котлы в состоянии качественно и эффективно обогреть помещения, общая площадь которых варьируется от 80 до 800 м². Лучше всего для данной цели подойдут серии товара «Очаг», «Гейзер», «Вулкан» с рабочей мощностью от 2 до 25 кВт.
Эти изделия отличаются компактными габаритами и небольшим весом (от 1,5 до 5,7 кг). Средний срок службы таких теплогенераторов составляет не менее 5 лет.
Противопоказания
Данный тип оборудования не годится для подключения к системе обогрева теплых полов, теплиц, бассейнов, лестничных пролетов и крыш. Его не используют в тандеме с чугунными радиаторами и оцинкованными трубами. Над таким котлом не рекомендуют монтировать трубы из полипропилена или металлопластика.
Чем популярны и интересны электрокотлы Галан?
Все чаще и чаще потребители делают выбор в пользу отопительных оборудований зарубежных производителей
Но есть и отечественные производители отопительных устройств, на которые следует также обратить особое внимание
Среди широкого спектра производителей, большим спросом пользуются электрокотлы, популярной . Электрокотел Российского производителя Галан является надежным прибором, который обладает надежностью экономичностью и компактными размерами.
1 Немного истории о компании Галан
Сначала компания занималась производством электродных устройств, которые чаще всего применяли в разных направлениях.
И совсем недавно компания стала разрабатывать и выпускать электрические котлы отопления для обогрева помещений. Главным преимуществом данного котла Галан является их высокий КПД, который может достигать до 98%.
При этом следует обратить внимание на его небольшой компактный размер. В основном среди потребителей можно в интернете встретить хорошие отзывы об электрокотле. Данную продукцию вы можете найти и приобрести даже в таких крупных городах как Москва, Рязань, Псков, Самара и другие, менее крупные города России
Дополнительные представительства находятся на территории Украины и Прибалтики
Данную продукцию вы можете найти и приобрести даже в таких крупных городах как Москва, Рязань, Псков, Самара и другие, менее крупные города России. Дополнительные представительства находятся на территории Украины и Прибалтики.
Электрические котлы для отопления помещений включают в себя следующие виды:
Например, если вы хотите обогреть небольшие помещения, то вам идеально подойдут такие котлы для отопления Галан из серии «ОЧАГ». Данный вид котла имеет небольшой вес и размер 335 х 35 и обладает небольшой мощностью от 2 до 10 кВт.
Виды электрокотлов Галан
А вот отопительный электрокотел из серии «Гейзер» или «Вулкан» подойдет для обогрева крупных помещений и амбаров. Преимуществом их является то, что они выделяют большое количество тепла за счет расщепления молекул воды. В этом случае в данных котлах циркуляционный насос не требуется.
Управлять данными котлами отопления можно с помощью электроники, которая точно отслеживает температуру воды на выходе и в ходе. Также электроника служит для поддержания оптимальной температуры в отапливаемом помещении, в результате чего позволяет меньше расходовать энергии и с экономить на этом.
Нагревательным элементом в отопительных котлах Галан выступает обычный теплоноситель с помощью которого исключается потеря тепла, если идет разогрев промежуточных материалов. Если сравнивать электрокотлы с тэновым нагревателем, то Галан соответствует качеству и завоевывает все больше и больше покупателей Российского производителя во всей России.
Производитель Галан выпускает котлы серии «Галакс», на которые также следует обратить внимание. В этих моделях применяется пленочный нагреватель. Следует обратить внимание на такой котел отопления как Галан из серии «Стелс»
Данные котлы предназначены для обогрева промышленных помещений
Следует обратить внимание на такой котел отопления как Галан из серии «Стелс». Данные котлы предназначены для обогрева промышленных помещений
Электрокотел производителя Галан в системе отопления частного дома
В большинства случаев они выпускаются настенные модели с 27 кВт мощностью, а также в них встроена система защиты от перегрева. Характеристики у данных моделей отличаются от типовых мощностью и автоматикой.
Преимущества электрокотла производителя Галан следующие:
- Теплоноситель не требует специальной подготовки.
- Используются данные котлы в замкнутых системах.
- Небольшой вес и габариты.
- Простой монтаж и подключение.
- Встраивающие системы.
- Экономия электроэнергии.
Котлы отопления имеют две модели управления. А это электронное управление и механическое управление. Подключение данных котлов только к трехфазной сети с обязательным применением автоматики для защиты. Основным преимуществом является ценовая категория, если его сравнивать с зарубежными производителями.
Повторимся, главным достоинством их является ценовой вопрос. Естественно цена будет варьироваться в зависимости мощности и типа котла. Если рассмотреть средний ценовой диапазон, то цена варьируется от 3500 рублей на электро модели, и 25 000 рублей на тэновые аппараты производителя Галан.
Электрокотел Галан в системе отопления
Стоимость данной продукции не завышена и полностью соответствует качеству и комплектации котлов, если их сравнивать с другими котлами зарубежного производителя.
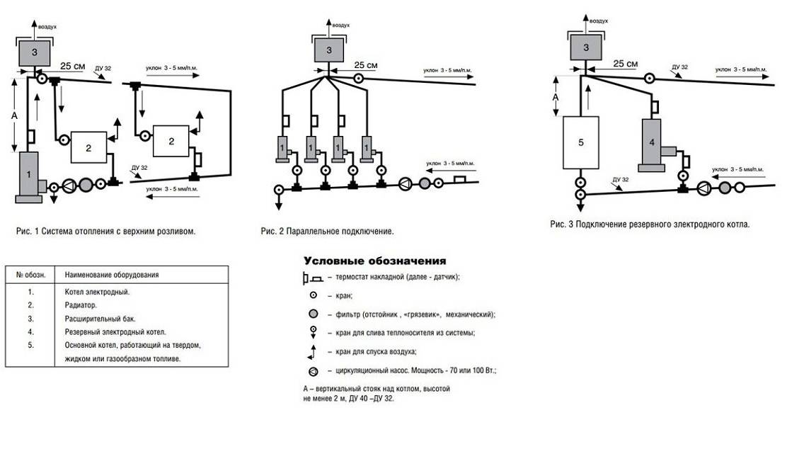
Схема подключения и установка электродного котла Галант
Перед тем как устанавливать электродный котел нужно сделать контур заземления, который желательно проверить на соответствие требованиям ПУЭ. Электрический нагревательный котел для отопления потребляет значительный ток, поэтому целесообразно проложить кабель нужного сечения и соответствующий автоматический выключатель. Владельцу, как правило, не нужно ничего рассчитывать самому, подробная инструкция по подключению и установке отопительного прибора входит в комплект поставки.
Для подключения к отопительным контурам применяются следующие схемы:
- стандартное подключение;
- параллельное подключение;
- модульное подключение отопительного агрегата;
- подключение «теплого пола».
Самое распространенное — стандартное и параллельное подключение электродных котлов отопления. Начинать установку нужно с выбора места расположения агрегата. Проблема, какой купить котел для отопления дома, решается очень просто. Мощность котла должна обеспечить отопление жилища.
Например, нужен электрокотёл для отопления дома 30 квадратных метров, следовательно, его мощность должна быть не менее 3 кВт, если же требуется обогреть помещение в 90 -100 м2, то соответственно значение мощности требуется не менее 9 кВт. Цена на электрокотел 9 квт будет больше, чем на котел 3 кВт.
Если в доме планируется установка «теплого пола», то нужен котел для отопления и для горячей воды. Это может быть электродный котел, но его мощность должна быть достаточной для отопления и для нагрева воды в контуре «теплого пола». В таких случаях подключение трубопроводов отопительной системы производится через коллектор и используется дополнительный циркуляционный насос.
Электронное управление котлом
Электронное управление представляет собой прибор, оборудованный блоком датчиков, кабелем и интерфейсным штекером для подключения к стандартному интерфейсу RS232. Схематически электронное управление котлом (КРОС) состоит из контроллеров, регулятора мощности котла, электронного ключа управления циркуляционным насосом.

Различают контроллеры тока и контроллеры проводимости теплоносителя. Токовый контроллер ограничивает значение тока на рабочем уровне, заданном при запуске системы.

Контроллер проводимости выполняет функции определения состояния теплоносителя: отключает котел при достижении носителем тепла критического уровня проводимости или продолжает работу. Датчики проводимости и температуры носителя выносные.
Для монтажа кабелей блока управления используют провод сечением жил 0,12-2,5 мм2. Концы кабеля для управляющих цепей зачищают на 7-10 мм. Винты клемм ослабляют и устанавливают провода. Затягивать клеммы необходимо с усилием не более 2 Нм.
Произвести подключение блока управления поможет видео.
После монтаж и подключения в отопительную систему закачивают электролит и производят регулировку параметров нагрева. Для контроля силы тока в системе используют навесные клещи. опубликовано econet.ru
Присоединяйтесь к нам в Facebook , , Одноклассниках
Обвязка электродного котла
- расширительный бак
- насос циркуляционный
- группа безопасности
- краны обратки и фильтр грубой очистки
- кран залива теплоносителя
- кран слива теплоносителя из системы
- кран подачи.

Перед монтажом и установкой электродного котла галан необходимо произвести расчеты компонентов отопительной системы. Мощность котла рассчитывают согласно площади помещения и высоты потолков, а также материала стен дома или квартиры. Затем определяют место будущей установки котла и разрабатывают схему и развязку магистралей, тип радиаторов.
Если планируется установить котел в существующую отопительную систему (в большинстве случаев), то расчет может быть ограничен правильной обвязкой и подключением силового блока и терморегулятора.
Инструкция по подключению и эксплуатации
Для поддержания необходимого температурного режима производитель предлагает дополнить комплект оборудования средствами автоматики. Простейший регулятор (МРТ-15) собран с применением электронных и механических компонентов. Он выполняет свои функции с использованием оперативных данных двух датчиков (подающая и обратная магистраль).
Другие блоки:
- серия «Навигатор Базовый» — управление нагревательными элементами суммарной мощностью до 30 кВт;
- «Люкс» — к этому универсальному блоку можно подключать электродные и классические «ТЭНовые» котлы отопления;
- «Комфорт» — программируемый таймер, который определяет временной рабочий график на протяжении до 7 суток;
- «Комфорт GSM» — с помощью этого электронного блока выполняют оперативную настройку рабочих режимов по каналам сотовой связи.

Для правильного выбора подходящей модели электродного котла «Галан» не нужно пересчитывать квадратные метры с высокой точностью. Как правило, специалисты пользуются упрощенной пропорцией — 1 кВт на каждые 10 м кв. площади. В таблице приведены рекомендации производителя. На практике показатели корректируют с учетом:
- теплоизоляционных параметров дома;
- режима эксплуатации;
- средних температур в регионе;
- личных предпочтений.
Монтажные работы выполняют в соответствии с действующими правилами «ПУЭ», иными отраслевыми нормативами. Обязательно соблюдение действующих требований к пожарной безопасности.
Обратите внимание! При отсутствии личных знаний и навыков следует обратиться за помощью к опытным специалистам. Следующие рекомендации необходимо учитывать для исключения ошибок при самостоятельном выполнении работ:
Следующие рекомендации необходимо учитывать для исключения ошибок при самостоятельном выполнении работ:
- заземление устанавливают заранее с обязательной итоговой проверкой сопротивления цепи (4 Ома и менее, площадь сечения проводника из меди — 5 кв. мм);
- котел «Галан» монтируют в вертикальном положении;
- клеммная группа защищается специальным кожухом;
- не менее метров выходного участка транспортной магистрали создают из металлических труб;
- радиаторы размещают выше нагревательных элементов;
- оставляют технологический зазор до поверхности пола для ремонта и обслуживания электродов;
- до расширительного бака не устанавливают запорную арматуру

Контрольные, измерительные, другие устройства для автоматизации подключают по инструкциям производителя. Для сохранения длительного срока службы электроники в помещении поддерживают установленный в сопроводительной документации режим температуры и относительной влажности.
Электродные котлы
Как это работает
Фирменный бренд
Схема нагрева теплоносителя
На практике отопительный котел ГАЛАНТ представляет собой ёмкость с двумя полярными электродами и двумя отверстиями для входа и выхода теплоносителя (чаще всего отопители имеют цилиндрическую форму).
Сетевое напряжение для прибора, в зависимости от его модификации, может быть:
- либо 220В;
- либо 380В.
Но в любом случае частота тока остаётся равной 50Гц, и эта цифра приведена неспроста. Получается, что принцип нагрева здесь основан на замыкании цепи, точно так же, как и в случае с ТЭНом, только там перемычкой служит нихромовая спираль, а здесь – сам теплоноситель.
Когда теплоноситель проходит через ёмкость, то полярность электродов меняется по 50 раз в секунду. Следовательно, ионам тоже приходится менять направление движения с той же частотой. От такой скорости температура жидкости поднимается, то есть, говоря языком физики, происходит процесс её ионизации (не электролиза, как думают некоторые).

Электродные котлы. Фото
Для тех, у кого вызывает тревогу погруженный в жидкость электрод (как бы током не ударило!) можно сказать, что инструкция по технике безопасности исключает такую возможность и вот почему.
Ток, как известно, проходит по пути наименьшего сопротивления, а этот путь находится как раз между двумя окончаниями стержней и никак не может влиять на жидкость в отопительном контуре за исключением её нагрева. Также можно успокоить тех, кто боится пожара в случае протечки ёмкости нагревателя – в случае утечки жидкости цепь между электродами размыкается и система, естественно, отключается.
| Категория измерения | Возможность применения котлов по названиям | |||||||
| Очаг 2 | Очаг 3 | Очаг 5 | Очаг 6 | Гейзер 9 | Гейзер 15 | Вулкан 25 | ||
| Размеры помещения в м куб (м3) | 80 | 120 | 200 | 250 | 340 | 550 | 850 | |
| Потребляемая мощность номинальная (кВт) | 2 | 3 | 5 | 6 | 9 | 15 | 25 | |
| Напряжение номинальное (В) | 220 | 220 | 220 | 220 | 380 | 380 | 380 | |
| Средний расход электроэнергии при достаточном утеплении помещения (кВт/час) | 0,5 | 0,75 | 1,25 | 1,5 | 2,5 | 4 | 6,6 | |
| Максимальная сила тока каждой фазы (А) | 9,1 | 13,7 | 22,7 | 27,3 | 13,7 | 22,7 | 37,5 | |
| Номинальная сила тока для автоматики в электромеханическом варианте (А) | 10 | 16 | 25 | 32 | 3 по 16 | 3 по 25 | 3 по 40 | |
| Сечение медного провода (мм2) | 220В | 4 | 4 | 4 | 6 | – | – | – |
| 380В | – | – | – | – | 4 | 4 | 6 | |
| Необходимое (рекомендуемое) количество теплоносителя в системе отопления (л) | 20 – 40 | 25- 50 | 30 – 60 | 35 – 70 | 50 – 100 | 100 – 200 | 150 – 300 | |
| Внутренний диаметр (ДУ) патрубков на входе и выходе теплоносителя в котле (мм) | 25 | 25 | 25 | 25 | 32 | 32 | 32 | |
| Длина агрегата (мм) | 250 | 275 | 320 | 335 | 360 | 410 | 460 | |
| Масса агрегата (кг) | 0,85 | 0,9 | 1,05 | 1,1 | 5,0 | 5,3 | 5,7 |
Используя настоящую таблицу, вы сможете подобрать модификацию котла для своего дома
Подключение

Стандартное подключение: 1- отопитель любого типа; 2 – шаровый вентиль; 3 – насос; 4 – сетчатый фильтр; 5 – спусковой кран; 6 – расширитель; 7 – арматура автоматики; 8 – защита
На верней схеме вы видите, как отопительный электрический котел ГАЛАН подключается к радиаторному контуру отопления. Всё очень просто – главное, чтобы вы правильно рассчитали соотношение мощности самого котла и потребностей системы, но это сделать легко – в паспорте радиаторов и в паспорте котла вы всегда сможете прочесть эти данные. Но не следует также забывать о том, что, прежде всего, вам нужно подсчитать нужную мощность для помещения.

Схема подключения для тёплого пола: 11 – отопительный контур; 12 – автоматика контура; 13 – термостат для комнаты; 14- клапан с сервоприводом; 15 – терморегулятор и обратный клапан врезаны в байпас
При подключении системы тёплого пола обязательно промойте её и желательно, чтобы это был ингибитор “Проектор” – если там раньше стоял другой отопитель, то в контуре обязательно есть соли, которые не позволят вам скорректировать плотность жидкости для настройки котла. Заправку системы обязательно нужно производить дистиллированной водой.

Смежное подключение радиаторов и тёплого пола
https://youtube.com/watch?v=tH1svHiOVVY
Также, вы можете подключить своими руками двухконтурную систему – радиаторы и тёплый пол, где монтаж котла производится аналогично двум верхним установкам. Но эти контуры нуждаются в разной температуре теплоносителя, поэтому в трубе подачи на тёплый пол врезают трёхходовой клапан (10). Этот прибор будет автоматически сбрасывать горячую воду в трубу возврата при достижении достаточной температуры в системе тёплого пола.
Электродные котлы Галан: принцип работы
Наибольший интерес у потребителя вызывают электронные котлы отопления Галан. Несмотря на небольшие размеры, они вырабатывают достаточное количество тепловой энергии для нагрева теплоносителя.
Главной особенностью конструкции является принцип ее работы. Для повышения температуры не используются какие-либо нагревательные элементы — электродные котлы Галан функционируют на принципе ионизации воды. Электроды расщепляют молекулы на положительные и отрицательные. Каждый вид движется к электроду с обратным зарядом. Электронный блок меняет полюса с частотой 50 раз/сек, в результате чего происходит колебания ионов. Этим обуславливается повышение температуры.
Такой принцип работы позволил минимизировать размеры оборудования. Положительные отзывы о системах отопления Галан связаны именно с этим фактором. Так, самая маломощная модель Очаг 2 при номинальной мощности 2 кВт имеет размеры всего лишь 35 мм в диаметре и длину 275 мм. И это при весе 0,9 кг.
Способы установки котлов Галан
Но не стоит сразу же планировать электрическое отопление частного дома Галан. Эта система характеризуется рядом эксплуатационных особенностей, которые обязательно нужно учесть:
- Нельзя использовать дистиллированную воду. Для процесса ионизации потребуется содержание в теплоносителе солей. Поэтому производитель рекомендует заливать обычную питьевую (предварительно подсолив, в пропорции 1 столовая ложка на 100 л.), либо фирменную жидкость для отопления;
- В комплектацию котлов отопления Галан не входят насос и расширительный бак. Для небольших магистралей, протяженностью до 20 м.п. это компенсируется давлением, создаваемым в камере ионизации. В процессе разогрева этот показатель повышается до 2 атм;
- Обязательно устанавливается блок управления для котлов отопления Галан. Он регулирует мощность устройства в зависимости от установленной мощности. В нем предусмотрена возможность подключения к внешним датчикам температуры, а также система дистанционного (СМС) управления.
Главным преимуществом является выбор схемы установки. В системах отопления с котлом Галан могут присутствовать другие нагревательные устройства – твердотопливные, или работающие на газу. Если же в будущем планируется расширение жилой площади – возможна параллельная установка дополнительных котлов для повышения общей мощности отопления.
Серия котлов Очаг
Оптимальная комплектация котла Галан
Модели этой серии являются самыми маломощными и могут быть использованы для организации электрического отопления небольшого частного дома Галан или квартиры. Зачастую их устанавливают без циркуляционных насосов – достаточно давления, создаваемого в камере ионизации.
Номинальная мощность моделей серии Очаг варьируется от 2-х до 6-ти кВт. Следует помнить, что в комплектацию входит только нагревательный блок. Дополнительное оборудование (УЗО, программатор) необходимо покупать.
Для правильной работы электрокотлов Галан в отопления дома нужно ознакомиться с их характеристиками:
- Объем отапливаемого дома – от 80 до 200 м³;
- Электропитание – сеть 220 В;
- Сечение медной жилы токопроводящей линии – 4 мм², за исключением модели Очаг-6. Для нее следует предусмотреть электропроводку с сечением 6 мм²;
- Объем теплоносителя напрямую зависит от мощности электронных котлов отопления Галан.
| Модель котла | Рекомендуемый объем теплоносителя, л |
| Очаг-2 | 20-40 |
| Очаг-3 | 25-50 |
| Очаг-5 | 30-60 |
| Очаг-6 | 35-70 |
Серия котлов Гейзер и Вулкан
Для более мощных систем рекомендуется приобретать котлы серии Гейзер и Вулкан. Конструктивно они ничем не отличаются от Очага, но рассчитаны на нагрев большего объема теплоносителя. Организованное с их помощью электроотопление Галан может обеспечить постоянную мощность от 9 до 50 кВт. Так как стандартная линия электропередач не справится с таким объемом, потребуется подключение 3х фазной 380 В. Для этого необходимо оформить отдельное разрешение. Этот факт обязательно учитывается при выборе отопительной схемы.
Котлы серии Гейзер
Технические характеристики котлов для систем отопления Галан серии Гейзер и Вулкан:
- Жилой объем здания – от 340 до 1650 м³;
- Электропитание – сеть 380 В;
- Сечение медной жилы токопроводящей линии – от 4 до 6 мм²;
- Рекомендуемый объем теплоносителя указан в таблице.
| Модель котла | Рекомендуемый объем теплоносителя, л |
| Гейзер-9 | 50-100 |
| Гейзер-15 | 100-200 |
| Вулкан-25 | 150-300 |
| Вулкан-36 | 200-400 |
| Вулкан-50 | 300-500 |
Котлы этой серии применяются не только для автономного отопления частных домов, но и для производственных и коммерческих помещений.
Особенности электродного отопления Галан
Прежде всего направляться заявить, что отопительная система Галант представляет собой замкнутую конструкцию, т.е. теплоноситель циркулирует по замкнутому кругу. Другими словами – электродные котлы нельзя использовать в системах, где теплоноситель поступает из скважины либо другого источника.
Что касается радиаторов, каковые возможно применять, то ограничений фактически нет, они смогут быть:
- Стальными;
- Биметаллическими;
- Алюминиевыми.
Единственное, с этими котлами не рекомендуется использовать:
- Крупноразмерные радиаторы;
- Чугунные радиаторы для отопления дома;
- Трубы громадного диаметра.
Так же отсутствуют какие-либо особенные требования к подключению электрики. Единственное, нужно применять кабеля подходящего сечения, и должна быть соблюдена схема подключения, которую содержит инструкция к оборудованию.
Преимущества
Система отопления Галан имеет множество преимуществ, среди которых возможно выделить следующие моменты:
- Энергоэффективность, которую производителю удалось достигнуть благодаря новой технологии преобразования электрического тока в тепловую энергию.
- Энергосбережение – электродные котлы, работающие совместно с цифровыми электронными блоками управления потребляют на 30-40 процентов меньше электричества, в сравнении с классическими ТЭНовыми аппаратами.
- Благодаря применению новейших технологий и качественных материалов, и применению автоматических устройств, эти устройства являются всецело энерго- и пожаробезопасными.
- Отопительные системы Галан работают всецело в автоматизированном режиме. Именно поэтому не нужно участие человека, для обеспечения стабильного и комфортного температурного режима, вне зависимости от погодных условий. Автоматика от Галан способна поддерживать температурный фон с высокой точностью (± 0,2 градуса). Оборудование может комплектоваться системой климат-контроля для недельного программирования режима работы. Помимо этого, при применении незамерзающих теплоносителей, таких как «Поток», отпадает необходимость в их сливе с радиаторов, кроме того в случае долгого простоя котла.
- Система отопления Галант есть хорошим вариантом для тех населенных пунктов, где нестабильное напряжение в сети. Кроме того при понижении напряжения до 180В, котел будет продолжать работать.
- Электродные котлы не требуют разрешения на установку.
- В случае происхождения в системе утечки, устройство сразу же отключается, поскольку электрический ток не имеет возможности замыкаться в цепи.
- Камера нагрева жидкости имеет маленькой количество, причем на протяжении ионизации, теплоноситель в ней резко разогревается, в следствии чего давление поднимается до двух атмосфер. Так, котел помогает не только обогревателем, но и циркуляционным насосом для отопления. Это разрешает снизить затраты на приобретение оборудования, и затраты на эксплуатацию отопительной системы.
- Низкая цена.
Так, популярность этих устройств в полной мере обоснована.
Недостатки
Как и любое другое отопительное оборудование, электродные котлы кроме этого владеют некоторыми своими недостатками, каковые приведены ниже:
Требовательность к воде – дело в том, что в системе возможно применять далеко не любую воду, а с определенными чертями. При запуске отопления, нужно подготовить теплоноситель в соответствии с советы от производителя. В большинстве случаев, для этого на литр воды додают пара чайных ложек соды и соли. Кроме этого возможно применять особые жидкости.
- Электрический ток циркулирует в воде, следовательно, не исключена возможность получения мощного удара током в случае прикосновения к радиатору отопления. Дабы не допустить таковой ситуации, нужно выполнить заземление, в соответствии с ПУЭ и ГОСТ 12.1.030-81.
- Периодически нужно чистить систему и поменять электроды, каковые со временем истончаются, в следствии чего понижается эффективность нагрева. Так, в плане долговечности электродные котлы не имеют преимущества перед классическими ТЭНовыми аппаратами.
Как мы видим, недостатки не критичные, но все же о них направляться не забывать.



































