Обвязка первичных и вторичных колец
Эту схему применяют в сложных системах с большим числом потребителей, работающих в разных температурных режимах.
Порядок монтажа:
- К котлу подключают короткий контур с основными теплосъемными устройствами (например, радиаторами нижнего этажа и бойлером косвенного нагрева). Это первичное кольцо.
- К контуру подсоединяют петли – «теплые полы», поэтажные ветки с радиаторами и т. д. Это вторичные кольца.
Каждая часть оснащена своим циркуляционным насосом. В первичном кольце помпа работает постоянно, и теплоноситель здесь движется непрерывно. При необходимости запускаются нагнетатели во вторичных петлях, вызывая циркуляцию среды и здесь. Запитанные от них потребители получают тепло.
Если помпу во вторичном кольце выключить, движение воды в нем прекратится, т. к. давление в точках подсоединения к первичному контуру одинаково. Для этого их разносят на расстояние не более 4 диаметров трубопровода.
Схема обвязки первичных и вторичных колец.
Температурный режим во вторичном кольце регулируют 2 способами:
- запуском и остановкой помпы;
- изменением скорости ее вращения.
Определение с параметрами проекта
Точного определения данному понятию нет. Соответствующее оборудование появилось, как ответ на требования потребителей повысить уровень комфорта в процессе эксплуатации, увеличить выработку тепла в расчете на единицу использованных энергетических ресурсов.
Основным недостатком классических котлов является необходимость регулярного добавления топлива в топку. Сложности создают также следующие факторы:
- высокая интенсивность горения;
- сложность оперативной регулировки и контроля этого процесса;
- неполное использование тепла, которое удаляется вместе с дымом через систему вентиляции.

Для поддержания работы обычного котла лучше иметь рядом достаточный запас дров
Разные конструкции
Для решения отмеченных выше задач используют различные решения. Чтобы не закладывать часто новые порции топлива увеличивают размеры топки. Сделать процесс горения равномерным помогает размещение сверху прижимного устройства, дозированная подача воздуха.

Схема типичного котла этого класса
Создать чертежи твердотопливных котлов длительного горения своими руками будет проще после подробного изучения стандартной конструкции:
- В начальном положении прижимное устройство (10) находится в верхнем положении.
- Через дверцу (6) в топку загружают крупную партию дров.
- После поджигания происходит регулируемый механическим приводом (16) процесс горения.
- Свежий воздух подается нагнетателем через телескопическую полую внутри штангу. Он распределяется равномерно через прижимной диск (10).
- Подача кислорода сверху обеспечивает постепенное сгорание топлива, слоями.
- Золу после завершения цикла удаляют через нижнюю дверцу (13).
- Для поднятия диска (10) в верхнее положение используют лебедку (2) с электроприводом.
Недостатком данной конструкции является невозможность произвольной закладки дров в топку. Существенное преимущество – повышенная до 24 часов и более длительность одного рабочего цикла.
В следующей конструкции топливо можно подкладывать по мере необходимости. Здесь использована технология пиролиза. Она характерна дозированной подачей кислорода и низкой интенсивностью горения. Тлеющие дрова выделяют горючий газ. Он сгорает в дополнительной камере.

Пиролизный котел
Эта установка полноценно использует топливо. В продуктах сгорания содержится минимальное количество сажи. Сложной является оптимальная регулировка рабочих процессов.
Газовые и дизельные агрегаты лишены упомянутых недостатков по причине простоты дозирования соответствующих видов топлива. Подобный результат можно получить, если использовать специальным образом спрессованные гранулы из отходов деревообработки, шелухи семечек, иного горючего сырья.

Пеллетный котел
В данном варианте гранулы (пеллеты) засыпают в бункер, откуда они подаются шнековым механизмом в топку. Понятно, что такая конструкция позволяет при необходимости быстро увеличивать и уменьшать подачу топлива. Гибкое изменение производительности котла пригодится для оптимизации работы при изменении внешней температуры, подключении дополнительных потребителей. С гранулами не слишком сложно работать при транспортировке, хранении.

Теплообменник для подогрева воды
Повышают эффективность котлов с помощью сложных структур выходных узлов. В таких конструкциях повышается температура теплоносителя. Аналогичные функции выполняют полые стенки корпуса.
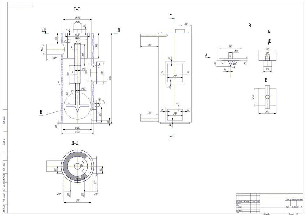
Чертежи твердотопливных котлов длительного горения своими руками
Прежде чем искать соответствующую документацию, необходимо точнее определиться с конструкцией. Предпочтительной является первая схема твердотопливного котла длительного горения, своими руками ее будет создать проще.

Принципиальная схема котла
Для отопления сравнительно небольшого частного дома с общей площадью 150-250 м. кв. достаточно будет следующих размеров:

Чертежи твердотопливных котлов длительного горения своими руками
При высоте чуть более 1,5 метра и ширине около 40 см не сложно будет найти подходящее место для установки. Но надо учитывать необходимость создания технологических проходов для обслуживания. Понадобится свободное пространство сверху для монтажа лебедки и другого оборудования.

Конструкторскую документацию можно создать без соблюдения стандартов
Для реализации частных проектов не обязательно соблюдению ГОСТов. Но чем подробнее получился чертеж твердотопливного котла длительного горения своими руками, тем проще будет исключить ошибки на ранних стадиях.

При удалении большого количества ржавчины перед окраской может понадобиться респиратор
Особенность конструкции
Любой котел длительного горения оснащен камерой внушительного размера, куда закладывается топливо. Чем большей камерой оснащен котле, тем большее количество времени будут прогорать дрова.
Сегодня можно встретить две технологии, реализуемые в ТТ котлах длительного горения, которые успешно конкурируют между собой. Это принцип Булерьян и метод Стропува.
Из-за высокой цены Стропува и сложности конструкции, этот метод не так популярен в России. А вот по методу Булерьян народные умельцы с большой самоотдачей конструируют агрегаты для отопления дач и загородных домов.

Схема ТТ котла
Котел по методу Булерьян выглядит следующим образом: металлический корпус, внутри которого находятся две камеры. В нижней камере происходит сжигание топлива, а во второй – сжигание газа, поступающего по трубку из первой камеры.
Дверца для загрузки топлива находится в верхней части корпуса котла, так как вся нижняя часть отведена под большую закладку ресурсов.
В верхней части котла располагается дымовой патрубок, который соединяется с дымоходом. В нижнюю часть встраивается зольная камера, через которую происходит очистка котла.
Следует упомянуть еще про один нюанс. В стандартных печах зольник выполняет роль поддувала, через которое задувается воздух, необходимый для горения. Здесь же зольная камера абсолютно герметична, так как воздух поступает через верхнюю воздушную камеру, играющую роль рекуператора.
Поставку кислорода в котел регулирует заслонка, расположенная вверху воздушной камеры. По мере сгорания дров, топливо постепенно оседает и распределитель опускается. Это обеспечивает беспрерывную подачу кислорода.
При новой загрузке топлива, достаточно просто потянуть вверх, возвратив распределитесь в его исходное положение. По положению этого рычага можно легко определить, сколько еще топлива осталось в котле и когда осуществлять следующую загрузку.
Отдельно следует сказать об экологичность этого варианта отопления. Из-за полного сжигания топлива и газов, в атмосферу практически не выбрасывается углекислый газ.

Основные элементы ТТ котла длительного горения
Основные элементы ТТ котла:
- Топочная камера. Это является главным элементом любого котла и печи, где происходит непосредственное сжигание топлива.
- Камера сгорания газов. Сюда поступают горячие газы от тлеющих дров.
- Зольник – здесь собирается пепел. Этот узел необходимо систематически чистить, чтобы поддерживать котле в технически исправном состоянии.
- Дымоотвод – узел, через который выводятся продукты сгорания наружу.

устройство котла
Все эти узлы заключены в стальной корпус, который изготавливается из листового металла толщиной в 5-6 мм.
Основные разновидности самодельных котлов
Если вы собираетесь сделать котел долгого горения своими руками, то вам обязательно пригодится информация из нашего обзора. В последующих разделах мы расскажем, как самому сделать отопительный агрегат той или иной конструкции, дадим несколько наиболее легких схем, опубликуем информацию о наиболее распространенных котлах длительного горения
Давайте пока уделим внимание последнему вопросу
Пришла пора рассмотреть самые актуальные варианты котлов длительного горения, которые мы сможем собрать своими руками в домашних условиях. Все они будут питаться дровами. Что касается угля, то достать его сложнее, а еще он приводит к возникновению больших температурных нагрузок на отопительные агрегаты. В следующих разделах мы дадим чертежи твердотопливных котлов длительного горения и дадим объяснительную информацию.
Шахтный котел длительного горения
Мы можем изготовить самый простой шахтный котел своими руками. Он реализован по схеме с нижним горением. Основой агрегата является вместительная загрузочная камера, которую часто называют шахтой. Обладая вертикальной конструкцией, она позволяет вместить большое количество дров. По мере горения они проваливаются вниз, а продукты сгорания отправляются через колосниковую решетку в зольник.
Если мы взглянем на схему шахтной печи (котла), то мы обнаружим, что пламя у нас бушует вовсе не в шахте, а в соседней камере, откуда получаемое тепло поступает в жаротрубный теплообменник. А остатки тепловой энергии направляются в дымоход. Горение здесь длительное и определяется объемом шахты – загрузив сюда большое количество дров, можно смело отправляться спать.
Пиролизный котел
Давайте посмотрим, как устроен пиролизный котел и как сделать этот агрегат своими руками. Проще всего объяснить принцип работы этого агрегата на примере буржуйки. Здесь мы видим объемную камеру сгорания, которая реализует длительное горение. Получившиеся продукты сгорания отправляются в камеру дожигания, в которую подается вторичный воздух. В результате этого образуется большое количество тепла. Нам остается только дооснастить буржуйку жаротрубным теплообменником.
Существуют десятки чертежей котлов длительного горения на дровах, построенных на пиролизном принципе работы. Они отличаются расположением камер сгорания и дожигания, наличием и отсутствием дутьевых вентиляторов и автоматики, а также способами регулировки интенсивности процесса сжигания дровяного топлива. Но в целом их принцип работы одинаков.
Печи-котлы Бубафоня
Бубафоня представляет собой печь, а ее модификация – это водогрейный дровяной котел с подачей воздуха сверху, через прижимной поршень. Мы уже не раз писали о таких печах в наших обзорах, теперь настало время поговорить об агрегатах с отопительным контуром. Для реализации контура мы можем задействовать три схемы:
- Установить теплообменник на дымовую трубу – самый простой вариант;
- Соорудить вокруг корпуса котла сплошную водяную рубашку;
- Обварить корпус агрегата трубами, по которым будет циркулировать теплоноситель.
Какую схему выбрать – решать вам. Кстати, котлы Бубафоня, за счет вместительных камер, помогут реализовать длительное горение продолжительностью до 24 часов и даже больше.
Котлы длительного горения Бубафоня работают на дровах, в них реализована схема верхнего горения.
Котлы-печи Булерьян
Изначально Булерьяны были (и есть) печами конвекционного типа. Они оснащаются мощными конвекторами, позволяющими буквально за 20-25 минут прогреть помещение большого размера. Появившись изначально в Канаде, эти печи добрались и до России, которая тоже может похвастаться суровым климатом (действительно для некоторых регионов). Умельцы превратили печи в котлы, немного поработав над конструкцией конвекторов – теперь по ним циркулирует не воздух, а теплоноситель.
Правда, котлы Булерьяны не могут похвастаться длительным горением, так как отличаются не самыми большими камерами сгорания. Некоторые из них обладают свойством гореть до 10-12 часов, некоторые – чуть дольше. Но рассчитывать на 24 часа все-таки не приходится. Зато они отличаются высокой эффективностью и способностью максимально быстро отдавать тепло в отопительные системы.
Полезные советы по изготовлению ТТ котла

Труба из легированной стали для котла
Можно значительно сократить расход на строительство агрегата, если взять бесшовную стальную трубу 20 марки.
Прежде чем устанавливать котел на место, которое определено под этот агрегат, проведите первую растопку на улице, оборудовав котел временным дымоходом. Так вы убедитесь в надежности конструкции и увидите, правильно ли собрали корпус.
Если в качестве основной камеры вы будет использовать газовый баллон, то учитывайте, что такой агрегат вам обеспечит горение на 10-12 часов из-за небольшого количества закладываемого топлива. Итак небольшой объем пропанового баллона уменьшится после срезания крышки и зольника. Чтобы увеличить объем и обеспечить большее время горения, необходимо использовать два баллона. Тогда объема топочной камеры точно хватит на обогрев большого помещения, и не нужно будет закладывать дрова каждые 4-5 часов.
Чтобы дверца зольника плотно закрывалась, не давая доступа воздуху, нужно ее хорошо герметизировать. Для этого по периметру дверцы проложите асбестовый шнур.
Если вы будет выполнять в котле дополнительную дверцу, которая позволяет «дозагружать» топливо не снимая крышки, ее тоже нужно плотно герметизировать с помощью асбестового шнура.
Для эксплуатации ТТ котла, схему которого мы прилагаем ниже подходит любое твердое топливо:
- каменный и бурый уголь;
- антрацит;
- дрова;
- древесные пеллеты;
- брикеты;
- опилки;
- сланцы с торфом.
По качеству топлива особых указаний нет – подойдет любое. Но учитывайте, что при большой влажности топлива, котел не даст большой коэффициент полезного действия.
Что понадобится?
Как было сказано выше, чтобы сварить отопительный агрегат, вы должны быть хорошим сварщиком. Работа на уровне любителя здесь не подойдет.
Инструменты
Что требуется для проведения этой работы. Из инструментов вам понадобятся:
- электросварочный аппарат;
- газовый резак;
- болгарка;
- молоток;
- рулетка;
- маркер или мел.
Материалы
Из материалов:
- труба бесшовная диаметром 425 мм;
- труба диаметром 100 мм;
- труба диаметром 25 мм;
- металлический лист толщиною 4 мм;
- два сгона диаметром 25 мм;
- небольшие петли;
- уголок 25 мм;
- арматура диаметром 8 мм.
Проект
Многие новички ищут чертежи котлов в Интернете или специальной технической литературе и уже по ним проводят работу. В принципе, это правильный путь.
Виды котлов на дровах
Такие агрегаты бывают с автоматической и ручной загрузкой топлива. Второй тип оборудования работает на пеллетах. Их помещают в специальный бункер, дальше они подаются в топку. Котел способен работать в автоматическом режиме продолжительный период.
К устройству при желании подключают электрическое оборудование, что позволяет минимизировать участие людей в отопительном процессе. Приборы функционируют параллельно, при этом электрокотел поддерживает определенную температуру воды.
Существует альтернативный вариант – применение теплоаккумулятора. Он предполагает работу системы теплоснабжения в автоматическом режиме, при котором в течение дня в специальной емкости накапливается тепло, расходуемое в ночное время.

Дровяные агрегаты с ручной загрузкой бывают трех видов:
- Традиционными, со стандартной конструкцией, имеющей внизу топочную камеру. Подобные котлы отличаются трудоемкостью обслуживания.
- Пиролизными. Функционирует данное оборудование на основании принципа разделения дров на газообразные и твердые вещества. У пиролизных приборов масса преимуществ: достаточно высокий КПД, небольшое количество сажи и золы. Они работают на древесине, у которой влажность не превышает 20%.
- Длительного горения. В таких котлах у дров сгорает верхняя часть, а оставшееся топливо начинает медленно тлеть. Самодельные котлы длительного горения на дровах отличаются высоким уровнем КПД и возможностью регулировать потребляемую мощность. Прибор требует одноразового обслуживания в сутки.
Принцип работы котла продолжительного горения
В обычных твердотопливных агрегатах, одной закладки хватает на 6-7 часов горения. Соответственно, если в топку не будет добавлена очередная порция ресурсов, температура в помещении сразу же начнет снижаться. Это происходит из-за того, что основное тепло по помещению циркулирует по принципу свободного движения газа. Нагреваясь от пламени, воздух поднимается вверх и выходит наружу.
Теплового ресурса котла длительного горения хватает примерно на 1-2 суток с одной закладки дров. Некоторые модели могут поддерживать тепло до 7 суток.
За счет чего достигается такая экономичность и эффективность?

Схема работы котла
От обычного котла, ТТ котел длительного горения отличается наличием сразу двух камер сгорания. В первой стандартно сгорает само топливо, а во второй — выделившиеся при этом газы.
Большую роль в этом процессе играет своевременная подача кислорода, которую обеспечивает вентилятор.
Такой принцип был реализован сравнительно недавно. В 2000 году литовская компания Stropuva впервые презентовала эту технологию, которая стразу снискала уважение и популярность.

Самодельный котел длительного горения
Сегодня это является наиболее дешевым и практичным способом обогреть загородный дом, там, где не предусмотрена газификация и случаются перебои с электричеством.
Такие агрегаты работают по принципу горения верхнего топлива. Стандартно во всех печах топка располагается внизу, что позволяет забирать с пола холодный воздух, нагревать его и поднимать вверх.
Принцип работы этого котла в чем-то поход на пиролизный. Основное тепло здесь выделяется не от сгорания твердого топлива, а от выделившихся газов в результате этого процесса.
Сам процесс сгорания происходит в закрытом пространстве. Через телескопическую трубу выделившийся газ поступает во вторую камеру, где происходит его полное сгорание и смешивание с холодным воздухом, который подкачивает вентилятор.

ТТ котел длительного горения (схема)
Это беспрерывный процесс, который происходит до тех пор, пока полностью не прогорит топливо. Температура при таком горении достигается очень высокая – около 1200 градусов.
Как уже говорилось выше, в этом котле реализовано две камеры: основная большая и маленькая. В большую камеру закладывается само топливо. Ее объем может достигать 500 куб.дм.
Ресурсом для горения может выступать любое твердое топливо: опилки, угли, дрова, паллеты.
Постоянный приток воздуха осуществляет встроенный вентилятор. Преимуществом этого метода заключается в том, что твердое топливо расходуется крайне медленно.
Это значительно увеличивает экономичность такого отопительного прибора. Почему же так медленно прогорают дрова, по сравнению со стандартной печью?
Суть заключается в том, что прогорает лишь верхний слой, так как воздух нагнетается вентилятором сверху. Причем вентилятор добавляет воздух только после того, как полностью прогорит верхний слой.
На рынке представлено сегодня множество моделей, которые работают по одному и тому же принципу, но, в зависимости от габаритов, материала исполнения, дополнительных опций, имеют разную эффективность и экономичность.

Универсальные ТТ котлы работают абсолютно на любом топливе, что значительно упростит владельцам их эксплуатацию. Более бюджетным вариантом является дровяной ТТ котел продолжительного горения. Он работает исключительно на дровах и другой вариант топлива в него закладывать нельзя.
Как правильно подключить прибор к отопительной сети
В описанной конструкции чаще используют принудительную схему обвязки посредством двух патрубков. Первый подключают к подающему контуру, а второй — к обратному.

Порядок действий выглядит следующим образом:
- Оба патрубка обвязывают льняной паклей. Обмотку покрывают герметиком.
- Сверху устанавливают уголок, прикручивают бочонок с ниппелем.
- Все детали плотно стыкуют и подключают к крану, участки с резьбой обрабатывают герметиком.
- Водяной контур подсоединяют к трубам для циркуляции теплоносителя посредством муфты и гайки.
Перед запуском отопительной системы выполняют тестовую проверку, чтобы убедиться в отсутствии протечек.
Сборка котла
Агрегат нужно собирать в следующей последовательности:
- Сначала изготавливают корпус, прихватив короткими швами к его днищу боковые стенки и обрамления проемов. Нижним обрамлением проема зольника служит само днище корпуса.
- Изнутри к корпусу приваривают уголки, на которых будет укладываться решетчатый поддон топки (колосниковая решетка).
- Теперь нужно приварить саму решетку. Уголки, из которых она состоит, нужно приварить наружным углом вниз, так чтобы поступающий снизу воздух равномерно распределялся двумя наклонными поверхностями каждого уголка.
- Далее к уголкам, на которых уложена колосниковая решетка, приваривают топку с теплообменником.
- Дверцы топки и зольника вырезаются из стального листа. Изнутри они обрамляются стальной полосой, уложенной в два ряда, между которыми нужно уложить асбестовый шнур.
Далее приваривают дымоотводящий патрубок и воздуховод с фланцем для установки вентилятора. Воздуховод заводится внутрь котла через отверстие посредине задней стенки чуть ниже колосниковой решетки.
Теперь надо приварить к корпусу котла ответные части петель дверок и несколько кронштейнов шириной 20 мм, к которым будет крепиться обшивка.
Теплообменник нужно обложить с трех сторон и сверху базальтовой ватой, которая стягивается шнуром.
Поскольку утеплитель будет контактировать с горячими поверхностями, он не должен содержать фенол-формальдегидного связующего и других веществ, испускающих при нагреве токсичные летучие вещества.
При помощи шурупов к кронштейнам прикручивается обшивка.
Сверху на теплогенератор устанавливается контроллер автоматики, а к фланцу воздуховода прикручивается вентилятор.
Температурный сенсор нужно поместить под базальтовую вату, так чтобы он контактировал с задней стенкой теплообменника.
При желании котел можно оборудовать вторым контуром, позволяющим эксплуатировать его в качестве водонагревателя.
Контур имеет вид медной трубки диаметром около 12 мм и длиной 10 м, намотанной внутри теплообменника на жаровые трубы и выведенной наружу через заднюю стенку.
За информацию для статьи, благодарим наших коллег: microklimat.pro,v-teple.com
Полезные советы по изготовлению ТТ котла
- Если вы хотите сделать ТТ котел универсальным с позиции использования сырья, то для топочной камеры используйте трубу из жаропрочной легированной стали.
Труба из легированной стали для котла
Можно значительно сократить расход на строительство агрегата, если взять бесшовную стальную трубу 20 марки.
- Прежде чем устанавливать котел на место, которое определено под этот агрегат, проведите первую растопку на улице, оборудовав котел временным дымоходом. Так вы убедитесь в надежности конструкции и увидите, правильно ли собрали корпус.
- Если в качестве основной камеры вы будет использовать газовый баллон, то учитывайте, что такой агрегат вам обеспечит горение на 10-12 часов из-за небольшого количества закладываемого топлива. Итак небольшой объем пропанового баллона уменьшится после срезания крышки и зольника. Чтобы увеличить объем и обеспечить большее время горения, необходимо использовать два баллона. Тогда объема топочной камеры точно хватит на обогрев большого помещения, и не нужно будет закладывать дрова каждые 4-5 часов.
- Чтобы дверца зольника плотно закрывалась, не давая доступа воздуху, нужно ее хорошо герметизировать. Для этого по периметру дверцы проложите асбестовый шнур. Асбестовый шнур
Если вы будет выполнять в котле дополнительную дверцу, которая позволяет «дозагружать» топливо не снимая крышки, ее тоже нужно плотно герметизировать с помощью асбестового шнура.
Для эксплуатации ТТ котла, схему которого мы прилагаем ниже подходит любое твердое топливо:
- каменный и бурый уголь;
- антрацит;
- дрова;
- древесные пеллеты;
- брикеты;
- опилки;
- сланцы с торфом.
По качеству топлива особых указаний нет – подойдет любое. Но учитывайте, что при большой влажности топлива, котел не даст большой коэффициент полезного действия.





































